Запчасти Case IH C55 (06-12[01]) - MECHANICAL FRONT DRIVE, ACTUATING (06) - POWER TRAIN

Схема запчастей Case IH C55 - (06-12[01]) - MECHANICAL FRONT DRIVE, ACTUATING (06) - POWER TRAIN
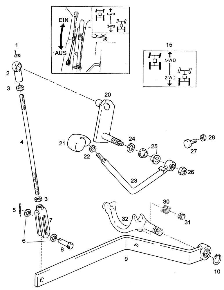
23
22
21
5
28
25
3
9
27
10
30
7
8
32
15
1
26
6
31
20
3
24
4
2
FIT
1:1
100%

Артикул

Название

Примечание

Количество

1

190003936519

BAIL

S16-A3C

1шт.

2

190003963626

BALL CUP

B16-A3C

1шт.

3

100016

NUT,M10 x 1.5, Cl 8

2шт.

4

1-34-544-049

THREADED ROD

1шт.

5

190003920217

PIN, SPLIT (COTTER)

PIN, COTTER , 3,2x16

1шт.

6

190003930271

DISC

A10,5-140HV-A3C

1шт.

7

1-34-544-052

CLEVIS

1шт.

8

190003903734

LARGE PIN

PIN, LARGE

1шт.

9

1-34-544-540

LEVER

1шт.

10

190003933083

LOCKING RING

19x1,2

1шт.

15

1-34-477-110

DECAL

1шт.

20

1-34-544-538

DRIVE DOG

1шт.

21

1397730120

HANDLE

1шт.

22

905852R1

THIN NUT,Thin, M8 x 1.25, Cl 04, LH

1шт.

23

1-34-544-504

LEVER

1шт.

24

190003930282

DISC

A13

1шт.

25

1-34-643-110

SLEEVE

Ø 12,15

2шт.

26

190003888451

NUT

VM8-8

1шт.

27

1-34-643-012

GUARD

1шт.

28

15896221

NUT,Hex, M6, 5.20mm High, Cl 10

1шт.

30

153700290013

SPRING

1шт.

31

1480270052

BEARING, NEEDLE

1шт.

32

153700290011

CRADLE

Siehe Allradantrieb/See all-wheel-drive/Voir quatre-roues directrices/Se firhjulstræk/Vedere trazione integrale

1шт.

Выбрано товаров: 23