Запчасти Case IH C55 (06-33[01]) - MECHANICAL FRONT DRIVE - HOUSING (06) - POWER TRAIN

Схема запчастей Case IH C55 - (06-33[01]) - MECHANICAL FRONT DRIVE - HOUSING (06) - POWER TRAIN
11
26
58
5
28
29
46
45
6
33
51
16
32
1
38
48
10
57
14
4
48
31
60
7
44
52
22
3
47
37
9
54
53
30
34
25
11
20
50
18
55
8
21
40
13
24
39
17
19
27
41
43
49
11
2
35
36
59
42
56
3333
15
FIT
1:1
100%

Артикул

Название

Примечание

Количество

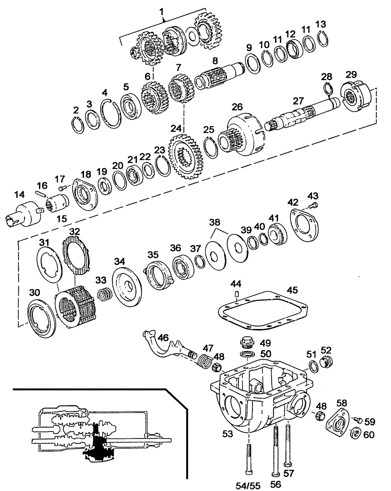
1

ZAHNRADSATZ/GEAR, SEAT/JEU DE PIGNONS/TANDHJUL SÆT/RUOTA DENTATA SERIE - Siehe Seite(n) vorne/See page(s) before/Voir page(s) avant(es)/Se side(r) forrest/Vedere pagin(a/e) precedent(e/i)

1шт.

2

190003933403

RING, SNAP

RING SNAP , 50x3

1шт.

3

1192270018

WASHER

1шт.

4

190003935364

LOCK WASHER

SP90

1шт.

5

190003323641

BALL BEARING

1шт.

6

133700290273

GEAR

28T, Ersetzt/Replaces/Remplace/Udskiftet/Sostituisce 133700220054

1шт.

7

153700290010

GEAR

34T, Ersetzt/Replaces/Remplace/Udskiftet/Sostituisce 153700290007

1шт.

8

133700220145

SHAFT

1шт.

9

133700220057

DISC

1шт.

10

190003933971

SNAP RING

52x3

1шт.

11

133700270171

WASHER, THRUST

2шт.

12

133700290043

BEARING, NEEDLE

45/65/20

1шт.

13

190003933351

SNAP RING

45x1,75

1шт.

14

133700310019

PROTECTIVE COVER

1шт.

15

133700290258

SLEEVE

1шт.

16

190003909656

PIN, ROLL

8x45

1шт.

17

120104

BOLT,Hex, M8 x 1.25 x 20mm, Cl 8.8

8шт.

18

133700290259

LID

1шт.

19

190003070011

SHAFT SEAL

1шт.

20

1397290076

SHIM

0,10mm

1шт.

20

1397290077

SHIM

0,15mm

1шт.

20

1397290078

SHIM

0,40mm

1шт.

21

190003326022

BALL BEARING

1шт.

22

133700290234

WASHER, THRUST

1шт.

23

190003933500

SNAP RING

70x2,5

2шт.

24

155700290041

GEAR

53T

1шт.

24

155700290042

GEAR

56T

1шт.

25

190003933500

SNAP RING

70x2,5

2шт.

26

133700290231

CLUTCH HOUSING

1шт.

27

153700290002

SHAFT

1шт.

28

190003933242

SNAP RING

34x2,5

1шт.

29

133700290232

BUSHING

1шт.

30

1288220011

THRUST RING

1шт.

31

155700290038

FIN

Wahlweise/Optional/En option/Efter valg/A scelta

11шт.

31

1397290105

FIN

Wahlweise/Optional/En option/Efter valg/A scelta

11шт.

32

155700290037

FIN

10шт.

33

199012470034

COMPRESSION SPRING

1шт.

34

153700290003

WEAR PAD

1шт.

35

153700290004

EJECTOR

1шт.

36

190003310061

BALL BEARING

1шт.

37

133700290077

WASHER

2,5mm

1шт.

38

153700290005

BELLEVILLE SPRING

6шт.

39

133700290077

WASHER

2,5mm

1шт.

39

133700290080

WASHER

3,0mm

1шт.

39

133700290081

WASHER

3,5mm

1шт.

39

133700290082

WASHER

4,0mm

1шт.

39

133700290083

WASHER

4,5mm

1шт.

39

133700290084

WASHER

5,0mm

1шт.

39

133700290085

WASHER

5,5mm

1шт.

39

135700290017

WASHER

6,0mm

1шт.

39

135700290018

WASHER

6,5mm

1шт.

40

190003933242

SNAP RING

34x2,5

1шт.

41

190003320123

ROLLER BEARING

1шт.

42

133700290035

COVER

1шт.

43

120104

BOLT,Hex, M8 x 1.25 x 20mm, Cl 8.8

8шт.

44

190003901507

PIN

10m6x16

2шт.

45

133700290153

GASKET

0,2mm

1шт.

45

133700290154

GASKET

0,3mm

1шт.

46

153700290011

CRADLE

1шт.

47

153700290013

SPRING

1шт.

48

1480270052

BEARING, NEEDLE

2шт.

49

190003960010

SCREW,M33 x 2

M33x2

1шт.

50

190003098071

SEAL

A33x39-CU

1шт.

51

190003098086

SEAL

A30x36-CU

1шт.

52

190003962051

DRAIN PLUG

C-M30x1,5

1шт.

53

153700290019

HOUSING

Ersetzt/Replaces/Remplace/Udskiftet/Sostituisce 153700290008

1шт.

54

190003862665

SCREW

M12x90-10.9

2шт.

55

190003862674

HEX SOC SCREW

M12x100-10.9

1шт.

56

190003800699

SCREW,M12 x 160mm, Cl 8.8

M12x160-8.8

1шт.

57

190003800654

SCREW,M12 x 130mm, Cl 10.9

M12x130-10.9

4шт.

58

153700290012

COVER

1шт.

59

120104

BOLT,Hex, M8 x 1.25 x 20mm, Cl 8.8

3шт.

60

190003078150

GASKET

1шт.

Выбрано товаров: 73