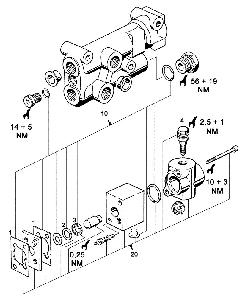
Запчасти Case IH C55 (07-11[01]) - BRAKE VALVE DISASSEMBLED (07) - BRAKES

Схема запчастей Case IH C55 - (07-11[01]) - BRAKE VALVE DISASSEMBLED (07) - BRAKES
1
2
1
10
4
20
3
FIT
1:1
100%

Артикул

Название

Примечание

Количество

-

1-33-135-034

VALVE, BRAKE

Ersetzt/Replaces/Remplace/Udskiftet/Sostituisce 1-33-135-319

1шт.

1

137700350804

GASKET

2шт.

2

1-33-735-006

BACK-UP RING

1шт.

3

1-33-735-003

NUT

1шт.

4

137700350801

VALVE

1шт.

10

1-33-735-008

GASKET KIT

1шт.

20

1-33-735-009

SET OF PARTS

1шт.

Выбрано товаров: 7