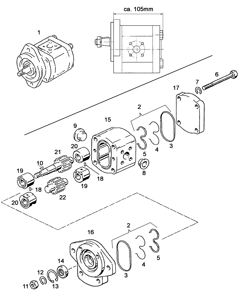
Запчасти Case IH C55 (02-32[01]) - HYDRAULIC PUMP - DISASSEMBLED (02) - ENGINE

Схема запчастей Case IH C55 - (02-32[01]) - HYDRAULIC PUMP - DISASSEMBLED (02) - ENGINE
4
5
12
1
19
3
6
17
15
22
11
2
10
2
8
5
9
18
3
13
7
21
18
19
20
20
4
14
16
FIT
1:1
100%

Артикул

Название

Примечание

Количество

1

155700750005

PUMP, HYDRAULIC

16cc, Besteht aus/Consists of/Compose de/Bestående af/È composto da 2 - 22

1шт.

2

1397750702

GASKET KIT

Besteht aus/Consists of/Compose de/Bestående af/È composto da 3 - 5

1шт.

3

NSS

NOT SOLD SEPARAT

2шт.

4

NSS

NOT SOLD SEPARAT

2шт.

5

NSS

NOT SOLD SEPARAT

2шт.

6

190003802578

SCREW,Hex, M10 x 95mm, Cl 10.9

M10x95-10.9

4шт.

7

161460080743

WASHER, LOCK

4шт.

8

155700750706

LIGHT FAIRING

1шт.

9

155700750707

LIGHT FAIRING

1шт.

10

190003960801

SPRING

3x5

1шт.

11

190003871526

NUT

M12x1,5

1шт.

12

155700750705

WASHER, LOCK

1шт.

13

190003934150

SNAP RING

30x1,2

1шт.

14

155700750704

SEAL

1шт.

15

NSS

NOT SOLD SEPARAT

1шт.

16

NSS

NOT SOLD SEPARAT

1шт.

17

NSS

NOT SOLD SEPARAT

1шт.

18

NSS

NOT SOLD SEPARAT

2шт.

19

NSS

NOT SOLD SEPARAT

2шт.

20

NSS

NOT SOLD SEPARAT

2шт.

21

NSS

NOT SOLD SEPARAT

1шт.

22

NSS

NOT SOLD SEPARAT

1шт.

Выбрано товаров: 22