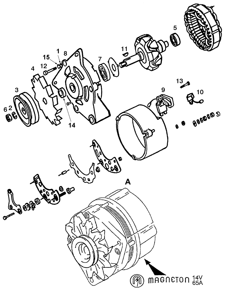
Запчасти Case IH C55 (04-20[01]) - ALTERNATOR ASSEMBLY / MAGNETON (04) - ELECTRICAL SYSTEMS

Схема запчастей Case IH C55 - (04-20[01]) - ALTERNATOR ASSEMBLY / MAGNETON (04) - ELECTRICAL SYSTEMS
13
14
10
7
6
4
11
1
9
3
15
8
5
a
12
2
FIT
1:1
100%

Артикул

Название

Примечание

Количество

a

130100090744

ALTERNATOR

65Amp, Besteht aus / Consists of / Compose de / Bestående af / È composto da 1 - 15

1шт.

1

142000090717

WASHER

3шт.

2

130100090746

LOCK WASHER

1шт.

3

130100090747

PULLEY

1шт.

4

142000090067

FAN

1шт.

5

130100090750

BEARING ASSY

1шт.

6

142000090008

NUT

M14x1,5

1шт.

7

130100090757

BEARING ASSY

1шт.

8

130100090752

BEARING HOUSING

1шт.

9

130100090753

BRUSH HOLDER

HOLDER, BRUSH

1шт.

10

130100090755

CAPACITOR

1шт.

11

142000090719

SNAP RING

1шт.

12

142000090715

SCREW

3шт.

13

142000090721

COVER ASSY

2шт.

14

130100090787

SPACER

1шт.

15

142000090716

WASHER

3шт.

Выбрано товаров: 16