Запчасти Case IH 758C (19) - SWING CYLINDER - 758C

Схема запчастей Case IH 758C - (19) - SWING CYLINDER - 758C
17
15
6
2
5
12
1
16
8
9
7
4
3
10
13
11
14
FIT
1:1
100%

Артикул

Название

Примечание

Количество

CSE47463

HYDRAULIC CYLINDER,227.84mm Stroke

Swing, MC

1шт.

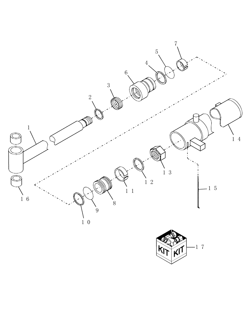
1

SML47474

ROD

Includes: Ref. 16

1шт.

2

NSS

NOT SOLD SEPARAT

Ring, Wiper

1шт.

3

NSS

NOT SOLD SEPARAT

Seal, V-Cup

1шт.

4

NSS

NOT SOLD SEPARAT

Ring, Backup

1шт.

5

NSS

NOT SOLD SEPARAT

O-Ring

1шт.

6

SML41488

CYLINDER HEAD

1шт.

7

NSS

NOT SOLD SEPARAT

Ring, Wear

1шт.

8

SML44536

PISTON

1шт.

9

NSS

NOT SOLD SEPARAT

O-Ring

1шт.

10

NSS

NOT SOLD SEPARAT

Seal, Piston

1шт.

11

NSS

NOT SOLD SEPARAT

Ring, Wear

1шт.

12

SML445371

RING

1шт.

13

514101

LOCK NUT,Hex, 1" - 14

G8, 1"-14

1шт.

14

CSE47491

HYD CYL SLEEVE

1шт.

15

NSS

NOT SOLD SEPARAT

Lockwire

1шт.

16

SML474621

BUSHING

1" I.D. x 1.25" O.D. x 1"

2шт.

17

SML41555

REPAIR KIT

Includes Ref., 2,3,4,5,7,9,10,11,15

1шт.

Выбрано товаров: 18