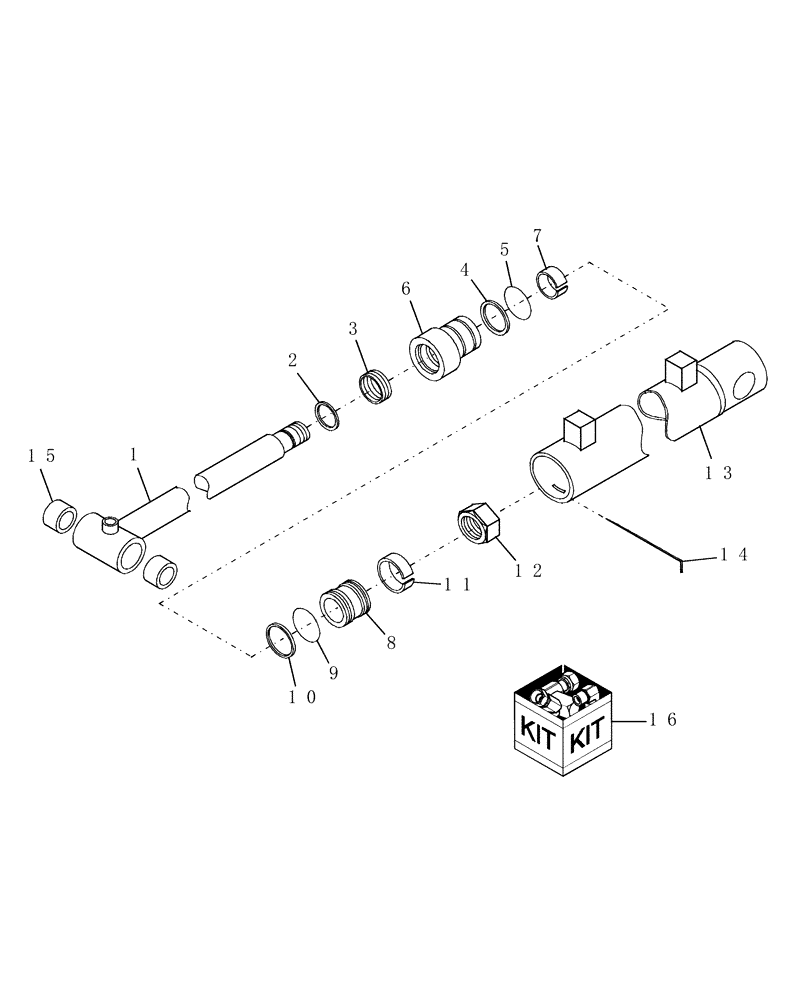
Запчасти Case IH 758C (22) - BUCKET CYLINDER - 758C

Схема запчастей Case IH 758C - (22) - BUCKET CYLINDER - 758C
16
4
1
3
6
11
5
15
12
8
13
14
2
10
7
9
FIT
1:1
100%

Артикул

Название

Примечание

Количество

CSE48250

CYLINDER,Double Acting, 488.95mm Stroke

Bucket, MM

1шт.

1

SML48251

ROD

1шт.

2

NSS

NOT SOLD SEPARAT

Ring, Wiper

1шт.

3

NSS

NOT SOLD SEPARAT

Seal, V-Cup

1шт.

4

NSS

NOT SOLD SEPARAT

Ring, Backup

1шт.

5

NSS

NOT SOLD SEPARAT

O-Ring

1шт.

6

SML41488

CYLINDER HEAD

1шт.

7

NSS

NOT SOLD SEPARAT

Ring, Wear

1шт.

8

SML35519

PISTON

1шт.

9

NSS

NOT SOLD SEPARAT

O-Ring

2шт.

10

NSS

NOT SOLD SEPARAT

Seal, Piston

1шт.

11

NSS

NOT SOLD SEPARAT

Ring, Wear

1шт.

12

514101

LOCK NUT,Hex, 1" - 14

G8, 1"-14

1шт.

13

CSE48255

HYD CYL SLEEVE

1шт.

14

NSS

NOT SOLD SEPARAT

Lockwire

1шт.

15

SML474054

BUSHING

Wear

2шт.

16

SML41555

REPAIR KIT

Includes Ref. 2,3,4,5,7,9,10,11,14

1шт.

Выбрано товаров: 17