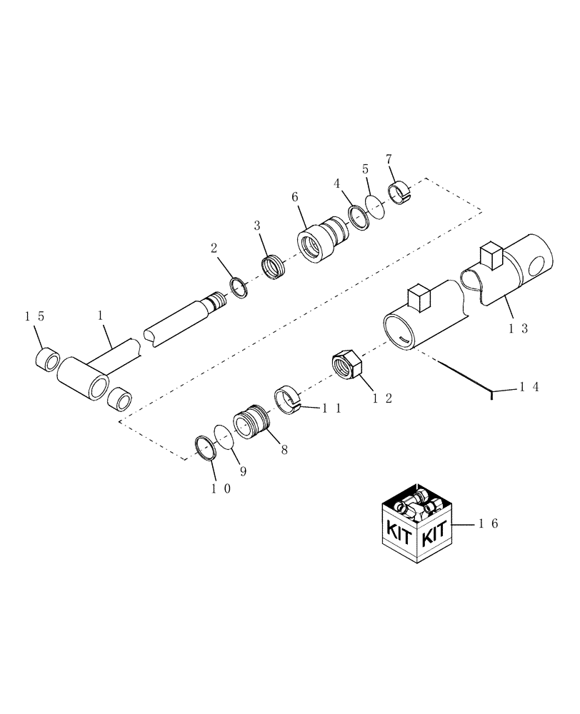
Запчасти Case IH 758C (25) - DIPPER CYLINDER - 758C

Схема запчастей Case IH 758C - (25) - DIPPER CYLINDER - 758C
14
3
16
12
7
15
1
5
10
13
4
8
9
11
2
6
FIT
1:1
100%

Артикул

Название

Примечание

Количество

CSE48236

CYLINDER

Dipper, MK

1шт.

1

SML48237

ROD

1шт.

2

NSS

NOT SOLD SEPARAT

Ring, Wiper

1шт.

3

NSS

NOT SOLD SEPARAT

Seal, V-Cup

1шт.

4

NSS

NOT SOLD SEPARAT

Ring, Backup

1шт.

5

NSS

NOT SOLD SEPARAT

O-Ring

1шт.

6

SML40437

CYLINDER HEAD

1шт.

7

NSS

NOT SOLD SEPARAT

Ring, Wear

1шт.

8

86581662

PISTON

1шт.

9

NSS

NOT SOLD SEPARAT

O-Ring

2шт.

10

NSS

NOT SOLD SEPARAT

Seal, Piston

1шт.

11

NSS

NOT SOLD SEPARAT

Ring, Wear

1шт.

12

SML329032

LOCK NUT

Lock, 1"

1шт.

13

CSE48240

HYD CYL SLEEVE

1шт.

14

NSS

NOT SOLD SEPARAT

Lockwire

1шт.

15

SML474054

BUSHING

Wear

2шт.

16

86581665

SEAL KIT

Includes Ref. 2,3,4,5,7,9,10,11,14

1шт.

Выбрано товаров: 17