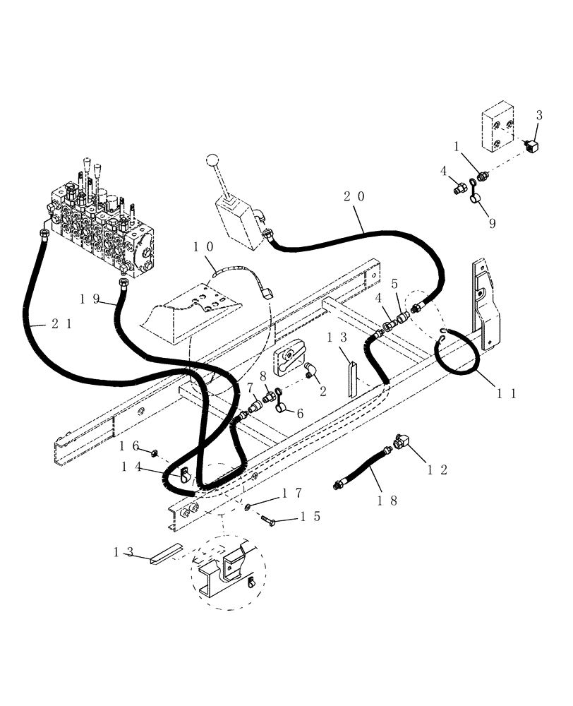
Запчасти Case IH 758C (13) - HYDRAULIC KIT, 715431006 - 757C/758C, USED ON D35/DX35 - D45/DX45

Схема запчастей Case IH 758C - (13) - HYDRAULIC KIT, 715431006 - 757C/758C, USED ON D35/DX35 - D45/DX45
21
12
17
19
4
20
1
11
14
10
7
4
15
6
18
3
13
8
5
13
2
16
9
FIT
1:1
100%

Артикул

Название

Примечание

Количество

1

SML449821

ADAPTER

Fitting, 3/8" NPTF x 3/8" NPTF

1шт.

2

SML346442

ELBOW

Elbow, 1/2" NPT x 3/8" NPT, 90 Degree

1шт.

3

SML7669

ELBOW

Fitting, 3/8" NPT X 3/8" NPT, 90 Degree

1шт.

4

SML61374

QUICK MALE COUPLING

Quick Coupler, Male, 3/8"

2шт.

5

SML61474

COUPLING

Quick Coupler, Female, 3/8"

1шт.

6

86581687

COVER

1/2"

1шт.

7

SML61478

COUPLING, QUICK, FEM

Quick Coupler, Female, 1/2"

1шт.

8

SML61376

QUICK MALE COUPLING

Quick Coupler, Male, 1/2"

1шт.

9

SML48385

DUST CAP

3/8"

1шт.

10

SML81376

CABLE TIE

CABLE STRAP Adjustable Tie, 5/16" x 11"

1шт.

11

86581718

SECURING STRAP

Tarp

1шт.

12

SML60068

ELBOW

Elbow, 3/8" x 1/2", 90 Degree - W/Triple Rear Remotes

1шт.

13

86581645

PROTECTION

Trim, 4"

2шт.

14

SML82226

CLAMP

Tube

1шт.

15

413-520

BOLT,Hex, 5/16" - 18 x 1-1/4", Gr 5

Cap, HH, G5, 5/16"-18 x 1-1/4"

1шт.

16

280736

NUT,5/16"-18, GC

1шт.

17

495-21038

WASHER,5/16"

1шт.

18

SML60072

HOSE,0.50" ID x 15.00", SAE 100R1

with Triple Rear Remotes

1шт.

19

SML412622

HOSE,0.38" ID x 120.00"

1шт.

20

SML485891

HOSE,0.50" ID x 30.00"

1шт.

21

SML410534

HOSE,0.50" ID x 72.00"

1шт.

Выбрано товаров: 21