Запчасти Case IH 1 (D-3) - BASIC MACHINE FRAMES - ONE BACKFILL BLADE

Схема запчастей Case IH 1 - (D-3) - BASIC MACHINE FRAMES - ONE BACKFILL BLADE
FIT
1:1
100%

Артикул

Название

Примечание

Количество

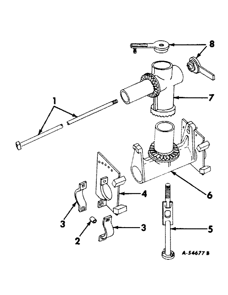
1

652037R1

ROD, horizontal tie

1шт.

217319

LEVER

NUT, 3/4-10 hex.

1шт.

103386

COTTER PIN,1/8" x 1 1/4"

Pin, Split (Cotter), 1/8" x 1 1/4"

1шт.

2

P34634

BUSHING, slide bar clamp

2шт.

3

652050R1

CLAMP, slide bar

4шт.

15091R1

BOLT, 1/2-13 x 2-1/4 sq-nk crg

4шт.

102637

NUT,1/2"-13, G5

4шт.

103323

LOCK WASHER,1/2"

WASHER, LOCK, 1/2"

4шт.

4

652059R92

PLATE ASSY, LH adjusting pitch

1шт.

4

652060R92

PLATE ASSY, RH adjusting pitch

1шт.

5

652035R91

ROD ASSY, vertical tie

1шт.

427636

SLOTTED NUT,3/4"-10, G5

NUT, 3/4-10 slt. hex.

1шт.

103386

COTTER PIN,1/8" x 1 1/4"

Pin, Split (Cotter), 1/8" x 1 1/4"

1шт.

6

652061R1

FRAME, blade carrier

1шт.

88530

CARRIAGE BOLT,Sq Nk, 1/2" - 13 x 1 3/4", Gr 5

BOLT, 1/2-13 x 1-3/4 sq-nk crg

2шт.

102637

NUT,1/2"-13, G5

2шт.

103323

LOCK WASHER,1/2"

WASHER, LOCK, 1/2"

2шт.

7

652062R1

FRAME, tilting and angling

1шт.

8

652038R1

CAM, tie rod

2шт.

Выбрано товаров: 19