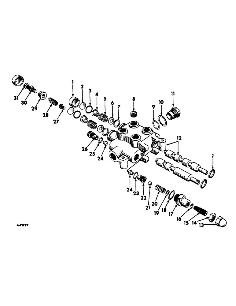
Запчасти Case IH 1000 (E-10) - HYDRAULIC CONTROL VALVE

Схема запчастей Case IH 1000 - (E-10) - HYDRAULIC CONTROL VALVE
FIT
1:1
100%

Артикул

Название

Примечание

Количество

469764R91

VALVE, hydraulic control assy consists of all the parts below

1шт.

1

663034R1

CYLINDER END CAP

CAP, bonnet

2шт.

2

663023R1

CAP

end

2шт.

3

663025R1

OIL SEAL

RING, snap, stop disc

2шт.

4

663022R1

COLLAR

stop

2шт.

85700996

SCREW,Phillips Drive, Pan HD, 1/4" - 20 x 1/2"

1/4UNF x 1/2 rd-hd

2шт.

174878

WASHER

1/4 internal tooth lock

2шт.

5

663024R1

SPRING

centering

2шт.

6

149372R1

WASHER

stop

2шт.

7

663032R1

O-RING

SEAL, spool

4шт.

8

9410358

PLUG

o-ring boss

1шт.

9

666218R1

SEAL

SEAL, sleeve

1шт.

10

635971R1

GASKET, sleeve

1шт.

11

469806R1

SLEEVE

1шт.

12

HOUSING, valve w/spools, order 469764R91

1шт.

13

131663

NUT, acorn

1шт.

14

124944

JAM NUT,Hex, 5/8" - 18, Gr 5

1шт.

15

663031R1

SCREW, adjusting o-ring

1шт.

16

355966R1

O-RING,0.424" ID x 0.103" Width

7/16 x 5/8 x 3/32

1шт.

17

663030R1

BODY, relief valve

1шт.

18

663029R1

GASKET

relief valve body

1шт.

19

635788R1

WASHER

stop

1шт.

20

663028R1

SPRING, relief valve

1шт.

21

17016R1

BALL,1/2" Dia

Check 1/2" Dia

1шт.

22

666721R1

SEAT, relief valve

1шт.

23

570828R1

O-RING,0.087" Thk x 0.644" ID, -908, Cl 6, 90 Duro

41/64 x 3/32 x 1/2 relief valve

1шт.

24

666719R1

VALVE POPPET

POPPET, check

2шт.

25

352221R1

O-RING,0.103" Thk x 0.549" ID, -113, Cl 5, 75 Duro

9/16 x 3/4 x 3/32 check plug

1шт.

26

666722R1

PLUG

rear check

1шт.

27

469879R1

SCREW, 1/4 x 3/8 b-hd socket

1шт.

28

469878R1

SPRING, adjusting

1шт.

29

469877R1

CAP, adjusting

1шт.

30

219431

BEARING

NUT, 5/16 C-Z jam

1шт.

31

132340

SCREW, 5/16 x 1-1/4 C-Z fil-hd mach

1шт.

364839R1

O-RING,0.078" Thk x 0.468" ID, -906, Cl 6, 90 Duro

6-1, 90 Duro, .468" ID x .078" Thk, use with 9410358 plug

1шт.

Выбрано товаров: 35