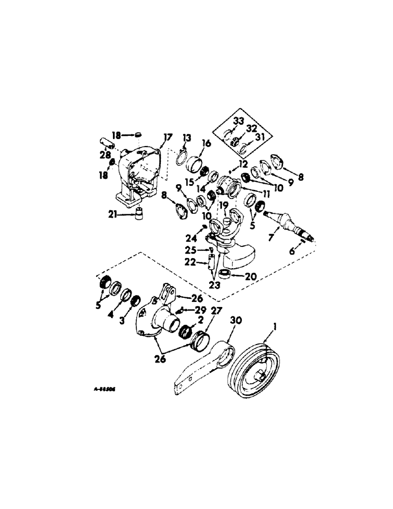
Запчасти Case IH 105 (G-27[A]) - FLYWHEEL PULLEY, BALANCED HEAD HOUSING

Схема запчастей Case IH 105 - (G-27[A]) - FLYWHEEL PULLEY, BALANCED HEAD HOUSING
FIT
1:1
100%

Артикул

Название

Примечание

Количество

1

458944R1

PULLEY

flywheel, unit A

1шт.

Y24430

KEY,1/4" Sq x 1 1/2", Par

1/4 x 1-1/4 in. sq-parallel

1шт.

1

478787R11

PULLEY

W/WASHER 478789R1, flywheel, unit B

1шт.

478789R1

WASHER

pulley

1шт.

2

458945R1

NUT

lock and seal, unit A

1шт.

2

478788R1

LOCK NUT

lock, unit B

1шт.

There is no seal, although there was one previously; now the nut itself acts as a seal

1шт.

3

651818R91

ROLLER BEARING,31.77 mm ID x 16.08 mm

BEARING ASSY, housing cone

1шт.

4

651817R1

BEARING CUP

BEARING, housing cup

1шт.

4

651817R1GV

BEARING CUP

Value, Bearing Cup

1шт.

193-12

LOCK WASHER,Ext Tooth, 0.52" ID x 0.89" OD, STL, PLN

WASHER, LOCK, Ext Tooth, 1/2"

2шт.

5

459912R91

BEARING ASSY,1.3755" ID x 2.5635" OD x 0.74"

BEARING W/SEAL, and cup housing, unit A

1шт.

193-12

LOCK WASHER,Ext Tooth, 0.52" ID x 0.89" OD, STL, PLN

WASHER, LOCK, Ext Tooth, 1/2"

2шт.

5

478790R91

BEARING ASSY,38.1mm ID x 72.02mm OD x 20.64mm W

BEARING W/SEAL, housing cone, unit B

2шт.

6

Y24430

KEY,1/4" Sq x 1 1/2", Par

1/4 x 1/4 x 1-1/2 in. sq-parallel, unit A

1шт.

6

Q53

KEY,1/4" Sq x 1", Par

Unit B 1/4" Sq x 1", Par

1шт.

7

458943R31

KIT

SHAFT ASSEMBLY, wrist-action, unit A, this assembly consists of ref. 2, 5, 31, 32 and 33, also order package 479342R93

1шт.

254485R1

NUT

5/8 in. special hex.

1шт.

254771R1

NUT

3/4 in. special hex.

1шт.

585556R1

WASHER,16.67mm ID x 38.1mm OD x 4.76mm Thk

WASGER, 21/32 x 1-1/2 x 3/16 in.

1шт.

7

478786R11

SHAFT

ASSY, wrist-action, unit B, consists of ref. 2 and 5

1шт.

254771R1

NUT

3/4-16 special hex.

2шт.

21211R1

WASHER

.781 x 1.500 x .164

1шт.

8

458958R1

COVER

CAP, yoke brg

2шт.

465491R1

BOLT

SCREW, 1/4 x 1 in. nylok hex-hd cap

6шт.

9

458955R1

SHIM,50.8mm ID x 76.2mm OD x 0.05mm Thk

yoke bearing cap .002

2шт.

9

458956R1

SHIM

yoke bearing cap .006, 6 or as required

1шт.

9

458957R1

SHIM,50.8mm ID x 63.5mm OD x 0.25mm Thk

yoke bearing cap .010, 6 or as required

1шт.

10

458952R91

ROLLER BEARING

W/SEAL, balance yoke roller

2шт.

11

458953R3

HOUSING

balanced head brg

1шт.

12

13019R1

FITTING

1/8-27 PTF str vented lub

1шт.

13

317596R1

HOSE CLAMP,#42, 2 5/8", Spring

CLAMP, bearing housing cap

1шт.

14

371883R1

BEARING CUP

Balanced head housing

1шт.

15

371882R91

ROLLER BEARING,20.64mm ID x 49.23mm OD x 19.84mm W

Assy, Balanced head housing

1шт.

16

458954R1

CYLINDER END CAP

CAP, crankshaft brg housing

1шт.

461678R1

SEAL

SEALER, crankshaft brg housing cap

1шт.

17

487047R1

HOUSING

wobble, replaced 458936R2

1шт.

179883

BOLT,Hex, 1/2" - 13 x 1 1/4", Gr 5

4шт.

179887

CABLE

1шт.

103323

LOCK WASHER,1/2"

WASHER, LOCK, 1/2"

5шт.

181440

BOLT,Hex, 1/2" - 20 x 2 1/2", Gr 5

SCREW, 1/2-20 x 2-1/2 in. hex-hd cap, front hinge pin clamp bolt

1шт.

25-118

NUT,1/2"-20, G5

1/2-NF pln type 5

1шт.

18

464197R1

PLUG

button

2шт.

19

458993R2

PLUG

balance yoke grease chamber cork

1шт.

20

467146R91

BEARING ASSY,24.99mm ID x 52mm OD x 15mm W

balance yoke pivot stud, will work for 461188R91

1шт.

21

458961R2

STUD

balance yoke pivot

1шт.

102615

SET SCREW,Hex Skt, 1/2" - 13 x 1/2"

SCREW, 1/2 x 1/2 in. hex. soc-cup-pt set

1шт.

462800R1

WASHER

1 x 1-5/8 x 1/4 in. felt

1шт.

22

458973R4

PIN,25.41mm OD x 77.72mm L

knife

1шт.

336132R1

BOLT,1/2" - 20 x 2 3/8", Gr 8

SCREW, 1/2-20 x 2-3/8 in. cap

1шт.

25-118

NUT,1/2"-20, G5

1/2 in.

1шт.

23

487048R11

YOKE

ASSY, balance, replaces 458960R31

1шт.

24

86636814

LUBE NIPPLE,1/4"-28 x .52" lg

FITTING, 1/4 in, 28 PTF str-lub

1шт.

25

219-31

LUBE NIPPLE,30 Degree Elbow, 1/8" - 27 NPTF

FITTING, 1/8 in., 27 PTF 30 degree angle lub

1шт.

26

458937R11

HOUSING

W/BEARING CUPS, balanced hd front, 1961

1шт.

26

467214R91

HOUSING

W/BEARING, cups and bushing balanced head front, 1962-1964

1шт.

26

478797R91

HOUSING

ASSY, wobble shaft, 1965 and since

1шт.

519416R1

HEADED PIN,3/4" x 2 5/16"

PIN, 3/4 x 2-5/16 in. std-hd

1шт.

432-1624

COTTER PIN,1/4" x 1 1/2"

Pin, Split (Cotter), 1/4" x 1 1/2"

1шт.

27

467215R1

BUSHING,82.44mm ID x 87.15mm OD x 41.15mm L

housing, 1962 and since, will work for 458939R1

1шт.

28

458940R1

SHAFT

PIN, front hinge

1шт.

32-2032

COTTER PIN,5/16" x 2"

PIN, SPLIT (COTTER), 5/16" x 2"

1шт.

Q121

WASHER

1-9/32 x 2 x 16 ga

1шт.

29

461252R1

FITTING

1/8 in., 27 30 deg elbow lub

1шт.

30

458938R11

HINGE

W/BUSHING, 1961, order 467216R1 and 467215R1

1шт.

102637

NUT,1/2"-13, G5

2шт.

413-840

BOLT,Hex, 1/2" - 13 x 2-1/2", Gr 5

SCREW, 1/2 x 2-1/2 in. cap

2шт.

103323

LOCK WASHER,1/2"

WASHER, LOCK, 1/2"

2шт.

30

467216R1

ARM

HINGE, 1962 and since

1шт.

109461

LUBE NIPPLE,1/8"-27 x .66 lg

NIPPLE, LUBE, 1/8"-27 x .66 lg

1шт.

180191

BOLT,Hex, 1/2" - 13 x 3 1/4", Gr 5

SCREW, 1/2 x 3-1/4 hex-hd cap C-Z

2шт.

120378

NUT,Hex, 1/2" - 13, Gr 5

NUT, 1/2"-13, G5

2шт.

120384

WASHER,1/2"

LOCK, 1/2"

2шт.

31

458925R91

OIL SEAL

OIL SEAL, balanced brg housing, unit A

1шт.

32

618023R91

BEARING ASSY,34.93mm ID x 18.2mm W

CONE, roller brg, unit A

1шт.

33

618024R1

BEARING CUP,65.113mm OD x 13.97mm W

Roller, unit A

1шт.

461851R1

BLOCK

runout check, for use in determining runout on assembled wobble shaft trunnion and wobble shaft housing during the servicing or overhauling of the balanced head of subject machine mower

1шт.

479342R93

KIT

1шт.

PACKAGE, wrist-action shaft service, consists of (1) bushing 458971R1 (1) cap 458954R1 (1) fitting 109459 (1) instructions 1019676R3 (NSS) (1) key Q53 (1) nut 254485R1 (2) nut 254771R1 (1) nut 103028 (1) nut 271505 (1) pin 458973R4 (6) screw 465491R1 (2) screw 336132R1 (2) shim 458955R1 (6) shim 458956R1 (6) shim 458957R1 (2) seal 479343R91 (1) sealer 461678R1 (1) washer 21211R1 (1) washer 462799R1 (2) washer 543115R1 (1) washer 585556R1

1шт.

Выбрано товаров: 0