Запчасти Case IH C-2 (G-48) - PLATFORM, SPINDLES & GUIDE WHEELS

Схема запчастей Case IH C-2 - (G-48) - PLATFORM, SPINDLES & GUIDE WHEELS
FIT
1:1
100%

Артикул

Название

Примечание

Количество

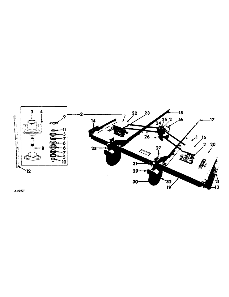
1

474150R91

PLATFORM

ASSY, 3 spindle

1шт.

2

474151R91

SPINDLE

ASSY, cutter blade

3шт.

3

474093R1

HOUSING

spindle

3шт.

181696

1-20 x 1 cd or zn-pltd hex-hd cap

12шт.

495-11053

WASHER,1/2", SAE

17/32 x 1-1/16 x .095 cd or zn-pltd

8шт.

120384

WASHER,1/2"

LOCK, 1/2"

12шт.

4

109461

LUBE NIPPLE,1/8"-27 x .66 lg

NIPPLE, LUBE, , PTF 1/8"-27 x .66 lg

3шт.

5

474094R91

OIL SEAL

spindle housing oil

6шт.

6

572564R1

BEARING CUP

BEARING, spindle housing cup

6шт.

7

463911R91

ROLLER BEARING,1" ID x 0.58"

BEARING ASSY, housing cone

6шт.

8

474152R91

SHAFT

ASSY, spindle

3шт.

Q3480

WASHER

1-1/32 x 1-1/2 x 11 ga

3шт.

425-1516

JAM NUT,Jam, 1"-14, G5

1-14 cd or zn-pltd hex. jam

3шт.

9

474097R1

WASHER

star

3шт.

10

474153R1

SPACER

bottom

3шт.

11

474095R1

WASHER

SPACER, top

3шт.

12

547191R1

BLADE

cutter, replaces 474154R1

3шт.

443339

NUT

1/2-13 CDP hex. lock

6шт.

180177

BOLT,Hex, 1/2" - 13 x 1 1/2", Gr 5

SCREW, 1/2-13 x 1-1/2 cd or zn-pltd hex-hd cap

6шт.

13

474035R91

SHOE

RUNNER ASSY, platform left

1шт.

120378

NUT,Hex, 1/2" - 13, Gr 5

NUT, 1/2"-13, G5

1шт.

180175

BOLT,Hex, 1/2" - 13 x 1 1/4", Gr 5

SCREW, 1/2-13 x 1-1/4 CDP hex-hd cap

2шт.

120384

WASHER,1/2"

LOCK, 1/2"

2шт.

14

474036R91

SHOE

RUNNER ASSY, platform right

1шт.

120378

NUT,Hex, 1/2" - 13, Gr 5

NUT, 1/2"-13, G5

1шт.

180175

BOLT,Hex, 1/2" - 13 x 1 1/4", Gr 5

SCREW, 1/2-13 x 1-1/4 cd or zn-pltd hex-hd cap

2шт.

120384

WASHER,1/2"

LOCK, 1/2"

2шт.

15

474155R1

GUARD

outer spindle belt, serial no. 3100000U008300 and below

2шт.

16

474156R91

GUIDE

ASSY, belt

1шт.

17

474157R91

ANGLE ASSY, platform left lift

1шт.

120378

NUT,Hex, 1/2" - 13, Gr 5

NUT, 1/2"-13, G5

4шт.

180175

BOLT,Hex, 1/2" - 13 x 1 1/4", Gr 5

SCREW, 1/2-13 x 1-1/4 cd or zn-pltd hex-hd cap

4шт.

495-11053

WASHER,1/2", SAE

17/32 x 1-1/16 x .095 cd or zn-pltd

4шт.

120384

WASHER,1/2"

LOCK, 1/2"

4шт.

18

474158R91

ANGLE

ASSY, platform right lift

1шт.

120378

NUT,Hex, 1/2" - 13, Gr 5

NUT, 1/2"-13, G5

4шт.

180175

BOLT,Hex, 1/2" - 13 x 1 1/4", Gr 5

SCREW, 1/2-13 x 1-1/4 cd or zn-pltd hex-hd cap

4шт.

495-11053

WASHER,1/2", SAE

17/32 x 1-1/16 x .095 cd or zn-pltd

4шт.

120384

WASHER,1/2"

LOCK, 1/2"

4шт.

19

474159R1

BAR

SHIELD, front platform

1шт.

120377

NUT,3/8" - 16, Gr 5

4шт.

180122

BOLT,Hex, 3/8" - 16 x 1", Gr 5

3/8-16 x 1 cd or zn-pltd hex-hd cap

4шт.

120394

WASHER,3/8", SAE

WASHER, 13/32 x 13/16 x .065 cd or zn-pltd

4шт.

120382

LOCK WASHER,Helical Spring, 3/8"

WASHER, LOCK, 3/8"

4шт.

20

474160R1

SUPPORT

SHIELD, rear platform

2шт.

21

474039R1

SUPPORT

DEFLECTOR, platform side

2шт.

120377

NUT,3/8" - 16, Gr 5

8шт.

180122

BOLT,Hex, 3/8" - 16 x 1", Gr 5

3/8-16 x 1 cd or zn-pltd hex-hd cap

8шт.

120382

LOCK WASHER,Helical Spring, 3/8"

WASHER, LOCK, 3/8"

8шт.

22

474161R1

PULLEY

SHEAVE, outer spindle

2шт.

23

474162R1

HUB

outer spindle

2шт.

326-420

BOLT,Hex, 1/4" - 20 x 1-1/4", Gr 8

SCREW, 1/4-20 x 1-1/8 cd or zn-pltd hex-hd cap

6шт.

24

474163R1

PULLEY

SHEAVE, center spindle

1шт.

25

474164R1

HUB

center spindle

1шт.

413-422

BOLT,Hex, 1/4" - 20 x 1-3/8", Gr 5

SCREW, 1/4-20 x 1-3/8 cd or zn-pltd hex-hd cap

3шт.

25

474166R1

HUB

center spindle

1шт.

NLS

NO LONGER SERVICED

1/4-20 x 1-1/2 hex-soc hd cap

3шт.

492-11025

LOCK WASHER,1/4"

WASHER, LOCK, 1/4"

3шт.

474098R1

KEY,3/16" Sq x 1 1/4", Par

3/16 x 1-1/4 sq. parallel

3шт.

26

478263R91

SET OF BELTS,0.71" W x 56.85" L

2 Matched, V-Belt, Outer sheave 0.71" W x 56.85" L

1шт.

27

474102R91

ADJUSTER

BUSHING ASSY, adj guide wheel

2шт.

M60912

PIN, 1/2 x 1-3/4 std-hd

2шт.

120169

COTTER PIN,5/32" x 1"

PIN, SPLIT (COTTER), 5/32" x 1"

2шт.

495-11053

WASHER,1/2", SAE

17/32 x 1-1/16 x .095 cd or zn-pltd

2шт.

28

219-8

LUBE NIPPLE,1/4" - 28 NPTF

NIPPLE, LUBE, (straight), Guide wheel bushing assy 1/4"-28 NPT x .54" lg

2шт.

29

474103R91

FORK

ASSY, guide wheel

2шт.

137218

COTTER PIN,5/32" x 1 1/4"

PIN, SPLIT (COTTER), 5/32" x 1 1/4"

2шт.

Q3480

WASHER

1-1/32 x 1-1/2 x 11 ga

2шт.

30

474104R92

WHEEL

ASSY, guide, optional w/487301R91

2шт.

30

487301R91

WHEEL

ASSY, guide, optional w/474104R91

2шт.

31

475974R2

BUSHING

wheel, use w/474104R91

4шт.

Flange o.d. is 1.312", body o.d. is 1.131", i.d. is .756", length is .750". 6/18/02 BW CAM

1шт.

31

487302R1

BUSHING

wheel, use w/487301R91

4шт.

Flange o.d. is 1.484", body o.d. is 1.380", i.d. is .756", length is .625". 6/18/02 BW CAM

1шт.

32

474105R1

PIN

wheel axle

2шт.

120169

COTTER PIN,5/32" x 1"

PIN, SPLIT (COTTER), 5/32" x 1"

2шт.

446257

WASHER,3/4" x 1 3/4" x .148"

13/16 x 1-3/4 x .148 cd or zn-pltd

2шт.

Выбрано товаров: 77