Качественные детали и логистика
Оригинальные и аналоговые запчасти с доставкой по России, Казахстану и Беларуси
©2022 PartSell ООО "Система" ИНН 2463123282 ОГРН 1212400004838
Центральный офис: г. Красноярск, Академика Киренского, д.87, пом.4
Телефон: 8 (800) 777-65-74 Email: zakaz@partsell.ru
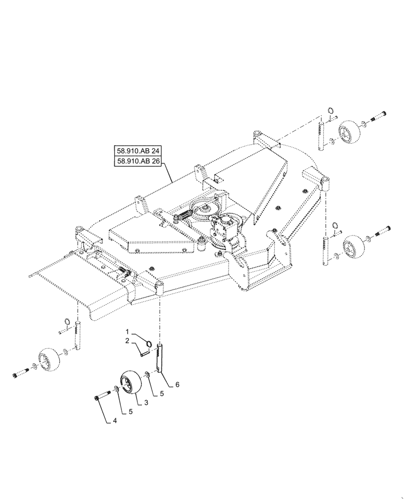
(44.536.AE[10]) - VAR - 717966166, 717966236 - MOWER DECK WHEELS
№
Артикул
Название
Примечание
Количество
1
AME008547B
RING
Locking
4шт.
2
AME013459B
CLEVIS PIN,0.375" OD x 2" L
3
AME012969B
WHEEL,5" OD
4
AME007057B
BOLT,1/2" - 13 x 2-3/4" L
Shoulder
5
AME008183B
WASHER,5/8" ID
8шт.
6
AME451733B
MOUNT
Spindle Wheel
Выбрано товаров: 0