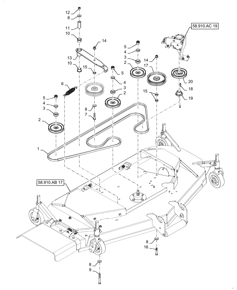
Запчасти Case IH MW166S (58.910.AC[17]) - VAR - 717966016 - MOWER DECK PULLEY DRIVE (BSN YDWWL5001) (58) - ATTACHMENTS/HEADERS

Схема запчастей Case IH MW166S - (58.910.AC[17]) - VAR - 717966016 - MOWER DECK PULLEY DRIVE (BSN YDWWL5001) (58) - ATTACHMENTS/HEADERS
58.910.ac 19
3
19
1
8
14
15
16
13
15
4
5
3
8
5
18
17
8
7
4
12
2
10
2
8
6
3
10
9
11
2
5
4
20
14
58.910.ab 17
FIT
1:1
100%

Артикул

Название

Примечание

Количество

1

AME012769B

BELT,16mm OD x 164.8mm L x 1 Rib

Drive, Mower

1шт.

2

AME012747B

PULLEY

Spindle

3шт.

3

AME066077B

BUSHING

Deck Lift

3шт.

4

AME008192B

WASHER,13/16" ID x 1-15/32" OD x 1/16" Thk

3шт.

5

AME007577B

LOCK NUT,3/4" - 16, Gr 2

3шт.

6

AME008751B

SPRING

Swivel End

1шт.

7

AME007356B

BOLT,M12 x 1.75 x 60mm L, Gr 10.9

1шт.

8

AME008171B

WASHER,1/2" ID

4шт.

9

AME007073B

BOLT,1/2" - 13 x 4" L, Gr 5

1шт.

10

AME011969B

BUSHING

Bearing

2шт.

11

AME066079B

BUSHING

Belt Tensioner

1шт.

12

AME007508B

NUT,1/2" - 13, Gr 5

Lock

1шт.

13

AME451165B

BELT TENSIONER

Arm

1шт.

14

AME007492B

NUT,M12 x 1.75, Gr 10

Lock

2шт.

15

AME614082B

SPACER,3/8" Thk

3шт.

16

AME007349B

BOLT,M12 x 1.75 x 70mm L, Gr 8.8

1шт.

17

AME012295B

PULLEY

Idler, 6" OD

2шт.

18

AME008920B

SQUARE KEY,1/4" OD x 1" L

1шт.

19

AME012749B

BUSHING

Mower Deck Gearbox

1шт.

20

AME012746B

PULLEY

Gearbox

1шт.

Выбрано товаров: 0