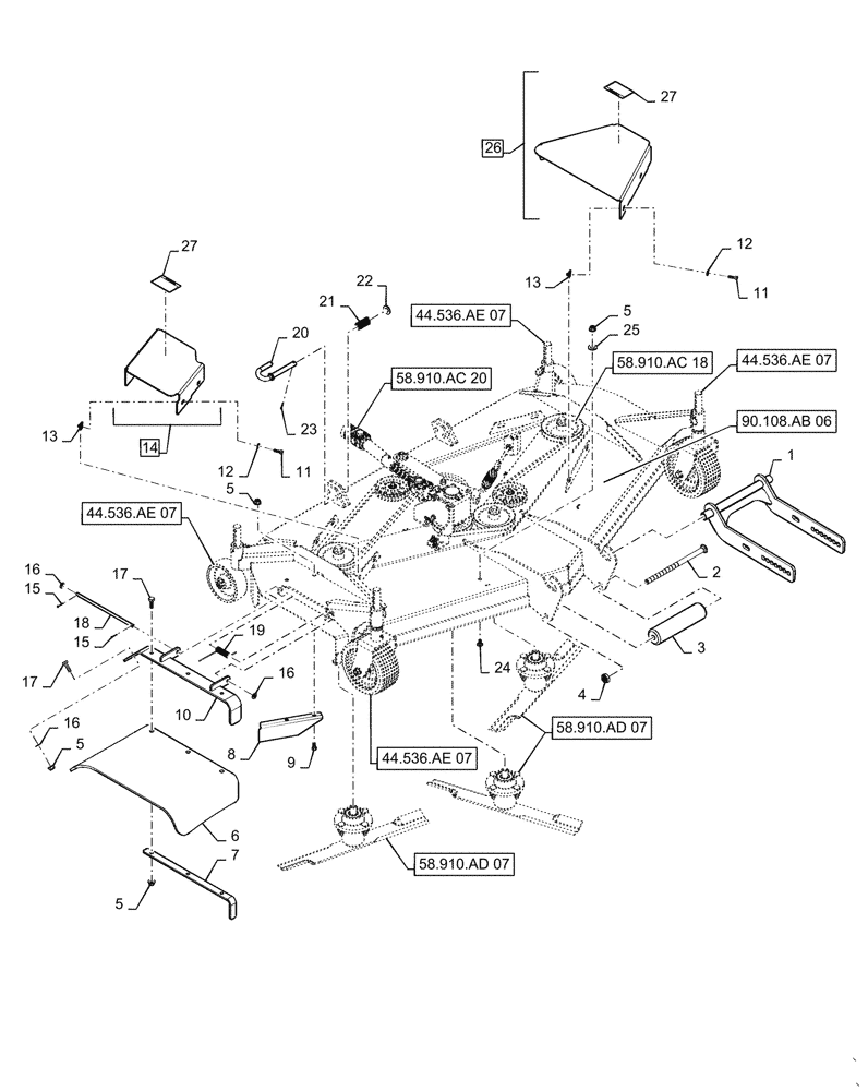
Запчасти Case IH MW166S (58.910.AB[18]) - VAR - 717966176 - MOWER DECK (ASN YDWWL5001) (58) - ATTACHMENTS/HEADERS

Схема запчастей Case IH MW166S - (58.910.AB[18]) - VAR - 717966176 - MOWER DECK (ASN YDWWL5001) (58) - ATTACHMENTS/HEADERS
90.108.ab 06
5
5
16
16
14
5
9
23
22
27
20
11
4
13
7
24
1
15
3
2
12
26
16
21
19
18
10
17
15
27
6
25
17
11
12
5
8
13
58.910.ac 20
44.536.ae 07
44.536.ae 07
44.536.ae 07
44.536.ae 07
58.910.ac 18
58.910.ad 07
58.910.ad 07
FIT
1:1
100%

Артикул

Название

Примечание

Количество

1

AME452900B

LINK

Lower Deck Linkage

1шт.

2

AME007218B

BOLT,5/8" - 11 x 11" L, Gr 2

2шт.

3

AME050004B

ROLLER,3" OD x 10" L

2шт.

4

AME007546B

NUT,5/8" - 11

Jam

2шт.

5

AME007457B

LOCK NUT,3/8" - 16

8шт.

6

AME050005B

CHUTE

Discharge, Rubber

1шт.

7

AME451186B

PLATE

Chute Retainer

1шт.

8

AME451188B

PLATE

Chute Baffle

1шт.

9

AME006829B

BOLT,3/8" - 16 x 3/4" L

2шт.

10

AME451760B

CHUTE

Mount

1шт.

11

AME006792B

BOLT,5/16" - 18 x 1" L, Gr 5

8шт.

12

AME008152B

WASHER,5/16" ID

8шт.

13

AME007432B

NUT,5/16" - 18

Spring

8шт.

14

AME451975C

GUARD

RH, Incl 27

1шт.

15

AME008557B

PIN,1/8" OD x 3/4" L

Cotter

2шт.

16

AME008158B

WASHER,3/8" ID

3шт.

17

AME006855B

BOLT,3/8" - 16 x 1-1/4" L

4шт.

18

AME451363B

ROD

Pivot Chute

1шт.

19

AME008820B

SPRING

Torsion

1шт.

20

AME066073B

LATCH

J

2шт.

21

AME008675B

COMPRESSION SPRING

J - Latch

2шт.

22

AME008164B

WASHER,1/2" ID

2шт.

23

AME008554B

HAIR PIN COTTER,3/32" OD x 3/4" L

2шт.

24

AME006606B

CARRIAGE BOLT,3/8" - 16 x 3/4" L

2шт.

25

AME008176B

WASHER,9/16" ID

2шт.

26

AME451980C

GUARD

LH, Incl 27

1шт.

27

AME020356B

WARNING DECAL

2шт.

Выбрано товаров: 27