Запчасти Case IH MW166S (88.100.31[01]) - DIA KIT, PTO DRIVE (88) - ACCESSORIES

Схема запчастей Case IH MW166S - (88.100.31[01]) - DIA KIT, PTO DRIVE (88) - ACCESSORIES
28
16
28
35
13
5
23
14
17
42
15
2
36
37
6
7
24
27
4
20
26
10
27
1
19
3
39
40
31
41
21
25
18
33
9
8
34
22
11
29
32
30
12
38
FIT
1:1
100%

Артикул

Название

Примечание

Количество

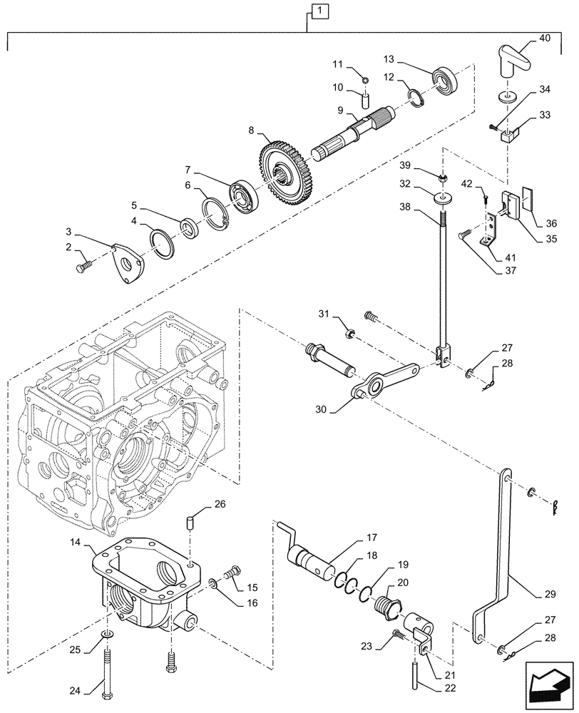
1

MT20022006

DIA KIT, TRACTOR

Mid PTO, Incl 2 - 42

1шт.

2

MT40028921

BOLT,Hex, M8 x 1.25 x 20mm

3шт.

3

MT40009842

COVER

Mid PTO Shaft

1шт.

4

MT40029219

O-RING,5.7mm Thk x 51.6mm OD

51.6mm OD x 5.7mm Thk

1шт.

5

MT40012884

OIL SEAL

PTO Shaft Cover

1шт.

6

MT40029299

SNAP RING,M62

1шт.

7

MT40012715

BALL BEARING

PTO Drive Gear

1шт.

8

MT40029908

GEAR

Mid PTO Drive

1шт.

9

MT40009095

SHAFT,30mm OD x 206mm L

Mid PTO Drive

1шт.

10

MT40011943

SPRING,7.2mm OD x 22mm L

1шт.

11

MT40010339

BALL

Shift Fork

1шт.

12

MT40029273

SNAP RING,M30

1шт.

13

MT40012703

BALL BEARING

PTO Drive Shaft

1шт.

14

MT40199270

CASE

Mid PTO

1шт.

15

MT40229917

PLUG

Magnet

1шт.

16

MT40229916

SEAL,20mm ID x 26mm OD x 1.5mm L

Plug

1шт.

17

MT40012234

LEVER

Mid PTO

1шт.

18

MT40029204

O-RING,2.4mm Thk x 15.8mm OD

2шт.

19

MT40029247

O-RING,2mm Thk x 27.50mm OD

1шт.

20

MT40009503

ADAPTER

Lever

1шт.

21

MT40012235

ARM

Mid PTO

1шт.

22

MT40029172

PIN,6mm OD x 35mm L

Spring

1шт.

23

MT40029108

HEADED PIN,M10 x 20mm

2шт.

24

MT40029484

BOLT,Hex, M10 x 1.25 x 100mm

M10 x 1.25 x 100mm L

2шт.

25

MT40029549

WASHER,10.20mm ID x 18.40mm OD x 2.50mm Thk

2шт.

26

MT40029102

PIN,M10 x 20mm L

2шт.

27

MT40028158

WASHER,10.50mm ID x 18mm OD x 2mm Thk

3шт.

28

MT40029121

PIN,25mm OD x 20mm L

3шт.

29

MT40029910

LINK

Lever

1шт.

30

MT40029909

ARM

Lever Link

1шт.

31

MT40012095

PLATE,12mm ID x 20mm OD x2mm Thk

Auxiliary Lever Space

1шт.

32

MT40007506

GROMMET

Clutch Rod, 10mm ID x 32mm OD x 2.5mm Thk

2шт.

33

MT40011843

BRACKET,2.5mm Thk

Contact Switch

1шт.

34

MT40028580

SCREW,M8 x 1.25 x 12mm

1шт.

35

MT40007111

MFD SWITCH

1шт.

36

MT40012510

PLATE

Switch

1шт.

37

MT40028709

SCREW,M4 x 0.7 x 30mm

2шт.

38

MT40240207

LEVER

Mid PTO

1шт.

39

MT40029040

NUT,Hex, M8 x 1.25

1шт.

40

MT40239362

KNOB

Mid PTO

1шт.

41

MT40011844

BRACKET

Mid PTO Switch

1шт.

42

MT40028970

BOLT,Hex, M8 x 1.25 x 16mm

2шт.

Выбрано товаров: 42