Запчасти Case IH MW172S (31.220.AG[12]) - VAR - 717966096 - PTO GEARBOX (31) - IMPLEMENT POWER TAKE OFF

Схема запчастей Case IH MW172S - (31.220.AG[12]) - VAR - 717966096 - PTO GEARBOX (31) - IMPLEMENT POWER TAKE OFF
31.201.ag 02
2
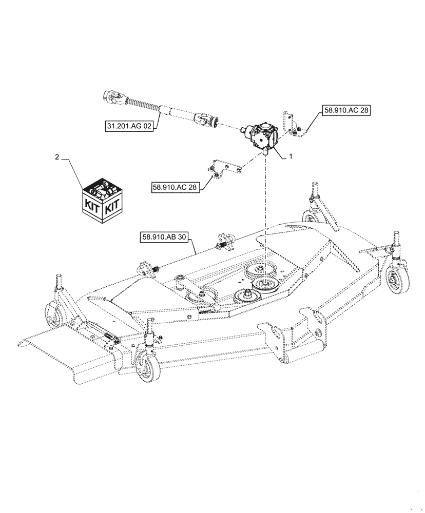
1
58.910.ab 30
58.910.ac 28
58.910.ac 28
FIT
1:1
100%

Артикул

Название

Примечание

Количество

1

AME015280B

GEARBOX

PTO

1шт.

2

AME015286B

SEAL KIT

Services 1, PTO Gearbox

1шт.

Выбрано товаров: 0