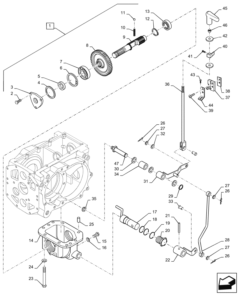
Запчасти Case IH MW172S (88.100.31[03]) - DIA KIT, PTO DRIVE (88) - ACCESSORIES

Схема запчастей Case IH MW172S - (88.100.31[03]) - DIA KIT, PTO DRIVE (88) - ACCESSORIES
42
2
47
37
12
44
25
34
8
40
29
33
1
3
13
26
26
26
32
9
21
31
28
38
16
30
36
24
43
19
23
46
20
6
7
39
41
45
35
11
27
17
10
4
14
15
5
18
27
22
27
FIT
1:1
100%

Артикул

Название

Примечание

Количество

1

MT20022005

DIA KIT, TRACTOR

Mid PTO, Incl 2 - 47

1шт.

2

MT40028921

BOLT,Hex, M8 x 1.25 x 20mm

3шт.

3

MT40009842

COVER

Mid PTO Shaft

1шт.

4

MT40029219

O-RING,5.7mm Thk x 51.6mm OD

51.6mm OD x 5.7mm Thk

1шт.

5

MT40012884

OIL SEAL

#1253

1шт.

6

MT40029299

SNAP RING,M62

1шт.

7

MT40012715

BALL BEARING

#63050

1шт.

8

MT40009068

GEAR

Mid PTO Drive, 41T

1шт.

9

MT40009095

SHAFT,30mm OD x 206mm L

Mid PTO Drive, 30mm OD x 206mm L

1шт.

10

MT40011943

SPRING,7.2mm OD x 22mm L

1шт.

11

MT40010339

BALL

Shift Fork

1шт.

12

MT40029273

SNAP RING,M30

1шт.

13

MT40012703

BALL BEARING

#62050

1шт.

14

MT40199270

CASE

Mid PTO

1шт.

15

MT40229917

PLUG

Magnet

1шт.

16

MT40229916

SEAL,20mm ID x 26mm OD x 1.5mm L

Plug

1шт.

17

MT40012234

LEVER

Mid PTO

1шт.

18

MT40029204

O-RING,2.4mm Thk x 15.8mm OD

2шт.

19

MT40029247

O-RING,2mm Thk x 27.50mm OD

1шт.

20

MT40009503

ADAPTER

Lever

1шт.

21

MT40029172

PIN,6mm OD x 35mm L

Spring, 6mm OD x 35mm L

1шт.

22

MT40012235

ARM

Mid PTO

1шт.

23

MT40029484

BOLT,Hex, M10 x 1.25 x 100mm

Hex, M10 x 1.25 x 100mm L

2шт.

24

MT40029549

WASHER,10.20mm ID x 18.40mm OD x 2.50mm Thk

2шт.

25

MT40029102

PIN,M10 x 20mm L

2шт.

26

MT40029121

PIN,25mm OD x 20mm L

3шт.

27

MT40028158

WASHER,10.50mm ID x 18mm OD x 2mm Thk

4шт.

28

MT40011450

ROD

Mid PTO

1шт.

29

MT40029265

SNAP RING,M20

1шт.

30

MT40028163

WASHER,21mm ID x 34mm OD x 3mm Thk

OD34 x ID21 x 3T

3шт.

31

MT40012244

ARM

Mid PTO

1шт.

32

MT40012095

PLATE,12mm ID x 20mm OD x2mm Thk

Auxillary Lever Space

1шт.

33

MT40029108

HEADED PIN,M10 x 20mm

2шт.

34

MT40010022

SPACER,20mm ID x 35mm OD x 39L

20mm ID x 35mm OD x 39mm Thk

1шт.

35

MT40029555

WASHER,16.20mm ID x 28mm OD x 4mm Thk

1шт.

36

MT40240207

LEVER

Mid PTO

1шт.

37

MT40007111

MFD SWITCH

125VAC/15A

1шт.

38

MT40012510

PLATE

Clamp, Switch 2.3mm Thk

1шт.

39

MT40028709

SCREW,M4 x 0.7 x 30mm

2шт.

40

MT40011843

BRACKET,2.5mm Thk

Contact Switch 2.3mm Thk

1шт.

41

MT40028580

SCREW,M8 x 1.25 x 12mm

M8 x 1.25 x 12mm L

1шт.

42

MT40007506

GROMMET

Clutch Rod, 10mm ID x 32mm OD x 2.5mm Thk

2шт.

43

MT40028970

BOLT,Hex, M8 x 1.25 x 16mm

2шт.

44

MT40011844

BRACKET

Mid PTO

1шт.

45

MT40239362

KNOB

Mid PTO

1шт.

46

MT40029040

NUT,Hex, M8 x 1.25

1шт.

47

MT40009903

SHAFT

Hand Lever

1шт.

Выбрано товаров: 47