Запчасти Case IH MW266S (58.910.AA[01]) - VAR - 717966196, 717966206 - MOWER DECK MOUNTING PARTS, 66" PREMIUM (58) - ATTACHMENTS/HEADERS

Схема запчастей Case IH MW266S - (58.910.AA[01]) - VAR - 717966196, 717966206 - MOWER DECK MOUNTING PARTS, 66" PREMIUM (58) - ATTACHMENTS/HEADERS
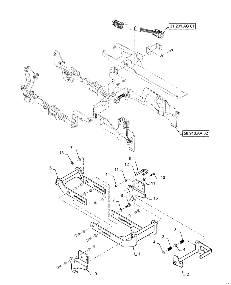
58.910.aa 02
3
11
7
2
7
6
4
5
4
13
1
3
15
8
12
10
11
14
9
31.201.ag 01
FIT
1:1
100%

Артикул

Название

Примечание

Количество

1

AME453020B

LINK

Lower Mount

1шт.

2

AME453100B

LATCH

Front

1шт.

3

AME008675B

COMPRESSION SPRING

J - Latch

2шт.

4

AME008164B

WASHER,1/2" ID

2шт.

5

AME453095B

BRACKET

Lower Linkage

1шт.

6

AME008554B

HAIR PIN COTTER,3/32" OD x 3/4" L

1шт.

7

AME008118B

WASHER,14mm ID

8шт.

8

AME018725B

BOLT,M14 x 2 x 40mm L, Gr 10.9

4шт.

9

AME453076B

PLATE

RH, Front Mounting

1шт.

10

AME007375B

BOLT,M10 x 1.5 x 40mm L

8шт.

11

AME008115B

WASHER,10mm ID

16шт.

12

AME066073B

LATCH

J

1шт.

13

AME007519B

NUT,M14 x 2mm Thk, Gr 10

Nylon

14шт.

14

AME007473B

NUT,M10 x 1.5mm

8шт.

15

AME453077B

PLATE

LH, Front Mounting

1шт.

Выбрано товаров: 15