Запчасти Case IH MW272S (44.536.AE[05]) - VAR - 717966216, 717966226 - MOWER DECK WHEELS (44) - WHEELS

Схема запчастей Case IH MW272S - (44.536.AE[05]) - VAR - 717966216, 717966226 - MOWER DECK WHEELS (44) - WHEELS
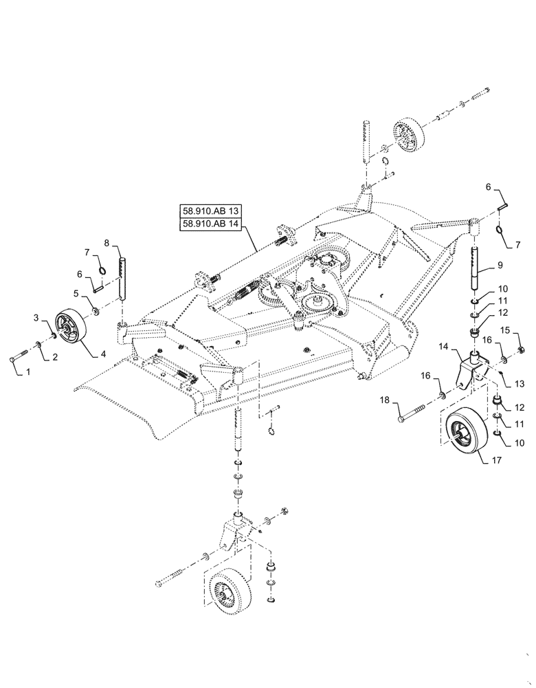
58.910.ab 13
4
18
7
3
14
12
10
13
16
17
12
2
1
7
15
11
9
6
10
6
11
5
8
16
58.910.ab 14
FIT
1:1
100%

Артикул

Название

Примечание

Количество

1

AME007081B

BOLT,1/2" OD x 3-3/8" L

2шт.

2

AME008164B

WASHER,1/2" ID

2шт.

3

AME011702B

O-RING

Rear Wheel

2шт.

4

AME012995B

CASTER

Rear, 6" OD

2шт.

5

AME451709B

PLATE

Pulley Spacer

2шт.

6

AME013459B

CLEVIS PIN,0.375" OD x 2" L

4шт.

7

AME008547B

RING

Locking

4шт.

8

AME451911B

SPINDLE

Rear Wheel

2шт.

9

AME066125B

SPINDLE

Front Wheel

2шт.

10

AME013251B

CIRCLIP

Retaining Ring

4шт.

11

AME008283B

BUSHING,1" ID x 1-1/2" OD

4шт.

12

AME011969B

BUSHING

Bearing

4шт.

13

AME014505B

LUBE NIPPLE,1/4" - 28

Grease

2шт.

14

AME453115N

YOKE

Front Wheel Caster

2шт.

372GMS

1шт.

14

AME453115C

YOKE

Front Wheel Caster

2шт.

MW272S

1шт.

15

AME007546B

NUT,5/8" - 11

Lock

2шт.

16

AME008178B

WASHER,5/8" ID

4шт.

17

AME012943B

CASTER

Front Wheel

2шт.

18

AME007189B

BOLT,5/8" - 11 x 5-1/2" L

2шт.

Выбрано товаров: 21