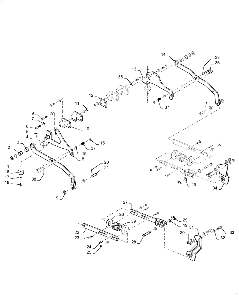
Запчасти Case IH MW272S (58.910.AA[06]) - VAR - 717966216, 717966226 - MOWER DECK MOUNTING PARTS, 72", T4 (58) - ATTACHMENTS/HEADERS

Схема запчастей Case IH MW272S - (58.910.AA[06]) - VAR - 717966216, 717966226 - MOWER DECK MOUNTING PARTS, 72", T4 (58) - ATTACHMENTS/HEADERS
34
39
13
17
37
18
19
16
21
33
29
30
8
38
36
14
1
19
2
22
19
9
32
6
23
3
11
5
28
12
10
4
20
27
31
24
15
26
35
15
37
38
7
25
FIT
1:1
100%

Артикул

Название

Примечание

Количество

1

AME013491B

LINCH PIN,1/4" OD x 1-1/4" L

2шт.

2

AME008283B

BUSHING,1" ID x 1-1/2" OD

2шт.

3

AME011969B

BUSHING

Bearing

2шт.

4

AME453595B

MOUNT

LH, Mid, Linkage

1шт.

5

AME007433B

NUT,5/16" - 18, Gr 5

Lock

3шт.

6

AME018721B

BOLT,M14 x 2 x 55mm L, Gr 10.9

8шт.

7

AME008176B

WASHER,9/16" ID

16шт.

8

AME453590B

MOUNT

LH, Mid, Bracket

1шт.

9

AME018711B

BOLT,M14 x 2 x 70mm L, Gr 10.9

4шт.

10

AME453594B

PLATE

LH, Spacer

4шт.

11

AME007516B

NUT,M14 x 2, Gr 8.8

4шт.

12

AME453078B

PLATE

RH, Spacer

1шт.

13

AME453600B

MOUNT

RH, Mid, Bracket

1шт.

14

AME453605B

MOUNT

RH, Mid, Linkage

1шт.

15

AME008164B

WASHER,1/2" ID

8шт.

16

AME013679B

RUBBER BUMPER

Mid Mount

2шт.

17

AME008152B

WASHER,5/16" ID

4шт.

18

AME006798B

BOLT,5/16" - 18 x 1-1/4" L, Gr 5

2шт.

19

AME008192B

WASHER,13/16" ID x 1-15/32" OD x 1/16" Thk

8шт.

20

AME008574B

HAIR PIN COTTER,1-1/4" L x 5/32" Thk

2шт.

21

AME013460B

CLEVIS PIN,3/4" OD x 2" L

2шт.

22

AME452452B

PLATE

Rear Link

2шт.

23

AME006669B

BOLT,1/2" - 13 x 1-3/4" L, Gr 2

4шт.

24

AME009004B

PIN,1/2" OD x 2" L

Roll

4шт.

25

AME007508B

NUT,1/2" - 13, Gr 5

4шт.

26

AME452219B

PLATE

Spring Stop

4шт.

27

AME452345B

ARM

Shackle

2шт.

28

AME013397B

PIN,3/4" OD x 4-1/2" L

2шт.

29

AME013484B

PIN,11/64" OD x 1-3/4" L

Linch

2шт.

30

AME007529B

NUT,M16 x 2

4шт.

31

AME451945B

ARM

LH, Lift

1шт.

32

AME008178B

WASHER,5/8" ID

8шт.

33

AME007324B

BOLT,M16 x 2 x 50mm L

4шт.

34

AME451940B

ARM

RH, Lift

1шт.

35

AME008118B

WASHER,14mm ID

4шт.

36

AME066073B

LATCH

J

2шт.

37

AME008675B

COMPRESSION SPRING

J - Latch

2шт.

38

AME008554B

HAIR PIN COTTER,3/32" OD x 3/4" L

2шт.

39

AME008687B

SPRING

Cushion

2шт.

Выбрано товаров: 39