Запчасти Case IH MW272S (58.910.AA[18]) - VAR - 717966286, 717966296 - MOWER DECK, MOUNTING PARTS, 72", CL 3, T4, REPWR (58) - ATTACHMENTS/HEADERS

Схема запчастей Case IH MW272S - (58.910.AA[18]) - VAR - 717966286, 717966296 - MOWER DECK, MOUNTING PARTS, 72", CL 3, T4, REPWR (58) - ATTACHMENTS/HEADERS
19
37
31
8
15
21
9
29
22
28
9
31
7
7
24
36
38
33
32
11
14
6
16
1
30
4
26
25
11
20
28
21
12
30
5
7
27
25
18
2
7
27
23
27
35
34
27
19
31
26
10
3
9
3
27
32
28
8
10
13
27
17
FIT
1:1
100%

Артикул

Название

Примечание

Количество

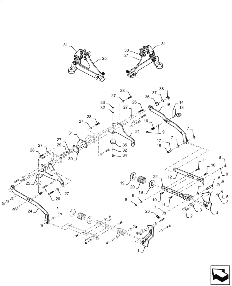
1

AME451945B

ARM

LH, Lift

1шт.

2

AME007324B

BOLT,M16 x 2 x 50mm L

4шт.

3

AME008178B

WASHER,5/8" ID

8шт.

4

AME451940B

ARM

RH, Lift

1шт.

5

AME007529B

NUT,M16 x 2

4шт.

6

AME013397B

PIN,3/4" OD x 4-1/2" L

2шт.

7

AME008192B

WASHER,13/16" ID x 1-15/32" OD x 1/16" Thk

8шт.

8

AME007508B

NUT,1/2" - 13, Gr 5

4шт.

9

AME008164B

WASHER,1/2" ID

8шт.

10

AME009004B

PIN,1/2" OD x 2" L

4шт.

11

AME006669B

BOLT,1/2" - 13 x 1-3/4" L, Gr 2

4шт.

12

AME452452B

PLATE

Rear Link

2шт.

13

AME066073B

LATCH

J

2шт.

14

AME008554B

HAIR PIN COTTER,3/32" OD x 3/4" L

2шт.

15

AME453605B

MOUNT

RH, Mid, Linkage

1шт.

16

AME008675B

COMPRESSION SPRING

J - Latch

2шт.

17

AME008574B

HAIR PIN COTTER,1-1/4" L x 5/32" Thk

2шт.

18

AME013460B

CLEVIS PIN,3/4" OD x 2" L

2шт.

19

AME452219B

PLATE

Spring Stop

4шт.

20

AME008687B

SPRING

Cushion

2шт.

21

AME453600B

MOUNT

RH, Mid, Bracket

1шт.

22

AME452345B

ARM

Shackle

2шт.

23

AME013484B

PIN,11/64" OD x 1-3/4" L

2шт.

24

AME453595B

MOUNT

LH, Mid, Linkage

1шт.

25

AME453590B

MOUNT

LH, Mid, Bracket

1шт.

26

AME018721B

BOLT,M14 x 2 x 55mm L, Gr 10.9

4шт.

27

AME008176B

WASHER,9/16" ID

16шт.

28

AME018721B

BOLT,M14 x 2 x 55mm L, Gr 10.9

8шт.

29

AME007516B

NUT,M14 x 2, Gr 8.8

4шт.

30

AME453078B

PLATE

RH, Spacer

1шт.

31

AME453594B

PLATE

Mid Mount, Spacer

4шт.

32

AME008152B

WASHER,5/16" ID

4шт.

33

AME007433B

NUT,5/16" - 18, Gr 5

2шт.

34

AME006798B

BOLT,5/16" - 18 x 1-1/4" L, Gr 5

2шт.

35

AME013679B

RUBBER BUMPER

Mid Mount

2шт.

36

AME011969B

BUSHING

Bearing

2шт.

37

AME008283B

BUSHING,1" ID x 1-1/2" OD

2шт.

38

AME013491B

LINCH PIN,1/4" OD x 1-1/4" L

2шт.

Выбрано товаров: 38