Запчасти Case IH 211 (E-30) - HYDRAULIC CYLINDER ADAPTING PACKAGE, SINGLE ACTION

Схема запчастей Case IH 211 - (E-30) - HYDRAULIC CYLINDER ADAPTING PACKAGE, SINGLE ACTION
FIT
1:1
100%

Артикул

Название

Примечание

Количество

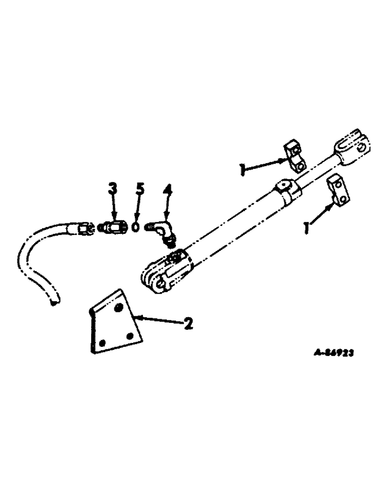
1

480810R1

STOP, single acting hyd cyl

2шт.

180185

BOLT,Hex, 1/2" - 13 x 2 1/2", Gr 5

SCREW, 1/2-13 x 2-1/2 C-Z hex-hd cap

2шт.

120384

WASHER,1/2"

LOCK, 1/2"

2шт.

120378

NUT,Hex, 1/2" - 13, Gr 5

NUT, 1/2"-13, G5

2шт.

2

480811R1

BRACKET, hyd cyl

1шт.

18458R1

BOLT,Hex, 5/8"-11 x 1 3/4", G2, Full Thd

5/8 x 1-3/4 C-Z hex-hd mach

2шт.

492-11062

BEARING WASHER,5/8"

WASHER, LOCK, 5/8"

2шт.

280374

NUT,Hex, 5/8" - 11, Gr 5

5/8-11 C-Z hex.

2шт.

3

526251R91

UNION

RESTRICTOR, hyd

1шт.

340340R1

BOLT,Hex, 1/2" - 13 x 1 1/2", Gr 8

SCREW, 1/2-13 x 1-1/2 hex-hd cap

4шт.

20534R1

BOLT,Hex, 1/2" - 13 x 1 3/4", Gr 8

SCREW, 1/2-13 x 1-3/4 C-Z hex-hd cap

4шт.

131101

LOCK WASHER

1/2"

8шт.

120378

NUT,Hex, 1/2" - 13, Gr 5

NUT, 1/2"-13, G5

8шт.

4

9410978

ELBOW,90 Degree, 7/8"-14, 37 Degree x 7/8"-14, O-Ring

7/8-14 C-Z 37 deg hyd flared

1шт.

5

364885R1

O-RING,0.097" Thk x 0.755" ID, -910, Cl 6, 90 Duro

5/8 OD tube

2шт.

Выбрано товаров: 15