Запчасти Case IH 27 (C-4) - MAIN DRIVE

Схема запчастей Case IH 27 - (C-4) - MAIN DRIVE
FIT
1:1
100%

Артикул

Название

Примечание

Количество

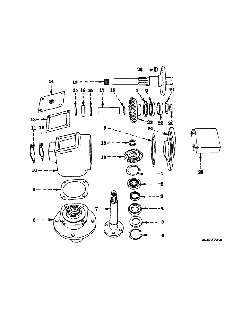
1

659676R1

SNAP RING,3.156", Int, #315

Ring, Snap, , drive shaft 3.156", Int, #315

2шт.

2

ST215

BEARING, BALL,40 mm ID x 80 mm OD x 18 mm

BEARING, drive shaft ball

2шт.

3

659675R91

OIL SEAL

SEAL, vertical drive shaft upper grease

1шт.

4

ST597

BALL BEARING,50 mm ID x 20 mm

BEARING, vertical drive shaft lower ball

1шт.

5

660432R91

OIL SEAL

SEAL, vertical drive shaft lower felt

1шт.

6

12125

SNAP RING

Ring, Snap, , vertical drive shaft lower 3.562", Int, #354

1шт.

7

660375R1

SHAFT, vertical drive

1шт.

NUT, 1-1/8 NF slotted

1шт.

PIN, 1/8 x 1-3/4" cotter

1шт.

8

660371R2

HOUSING, lower shaft

1шт.

BOLT, 3/4 x 2-1/4" hex-hd. mach.

4шт.

9

660412R1

SHIM, gear case (.005" brass)

2шт.

9

660413R1

SHIM, gear case (.007" brass)

2шт.

9

660414R1

SHIM, gear case (.020" brass)

2шт.

10

660372R1

HOUSING, gear

1шт.

BOLT, 1/2 x 1-1/2" hex-hd. mach.

4шт.

NUT, 1/2"

1шт.

WASHER, 1/2" lock

4шт.

11

660400R1

COVER, rear bearing

1шт.

BOLT, 5/16 x 1/2" hex-hd. mach.

4шт.

NUT, 5/16

4шт.

WASHER, 5/16" lock

4шт.

12

660417R1

GASKET, rear bearing cover

1шт.

13

660416R1

GASKET, gear housing cover

1шт.

14

660401R1

COVER, gear housing

1шт.

BOLT, 5/16 x 1/2" hex-hd. mach.

4шт.

NUT, 5/16"

4шт.

PIN, 1/8 x 1-3/4" cotter

1шт.

495538R1

PIPE, 3/8" plug

1шт.

WASHER, 5/16" lock

4шт.

15

495445R1

WASHER

drive shaft

1шт.

16

ST213

BALL BEARING,30 mm ID x 62 mm OD x 16 mm

BEARING, horizontal drive shaft rear ball

1шт.

17

660415R1

SPACER, gear case bearing

1шт.

18

495417R2

GEAR

driven bevel

1шт.

19

660324R91

SHAFT, horizontal drive

1шт.

BOLT, 7/16 x 1-3/4" hex-hd. mach. (shear bolt)

1шт.

NUT, 7/16"

1шт.

NUT, 1-1/8 NF slotted

1шт.

PIN, 1/8 x 1-3/4" cotter

1шт.

WASHER, 7/16" lock

1шт.

20

659623R1

WASHER, driven shaft

1шт.

BOLT, 5/16 NF x 3/4" hex-hd. mach.

2шт.

WASHER, 5/16" lock

2шт.

21

659625R1

WASHER

rear

1шт.

22

660469R91

SEAL

horizontal drive shaft grease

1шт.

23

495417R2

GEAR

bevel drive

1шт.

24

660370R1

HOUSING, front shaft

1шт.

BOLT, 1/2 x 1-1/2" hex-hd. mach.

4шт.

WASHER, 1/2" lock

4шт.

25

661886R91

SHIELD, shear bolt (welded assembly)

1шт.

26

660326R1

BUSHING, cushion shear bolt

1шт.

Выбрано товаров: 51