Запчасти Case IH 311 (Q-06) - BLADES, SHREDDER AND RELATED PARTS

Схема запчастей Case IH 311 - (Q-06) - BLADES, SHREDDER AND RELATED PARTS
FIT
1:1
100%

Артикул

Название

Примечание

Количество

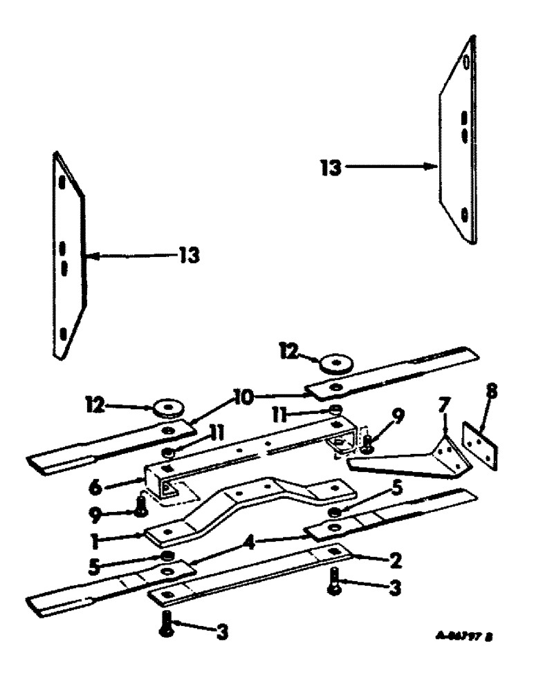
1

485357R1

BAR, rotor

1шт.

570879R1

BOLT,Hex, 5/8" - 11 x 2 1/4", Gr 8

SCREW, 5/8-11 x 2-1/4 hex-hd cap

2шт.

20033R1

LOCK NUT

NUT, 5/8-11 C-Z nylon insert

2шт.

2

485225R1

SUPPORT, tie strap

1шт.

3

489124R1

BOLT

7/8-9 x 2-3/4 crg, machines w/o shredder

2шт.

3

489125R1

BOLT (SPREADER),Carriage, 7/8" - 9 x 3 1/4"

BOLT, 7/8-9 x 3.25 crg, machines w/shredder

2шт.

19749R1

LOCK NUT,7/8"-9, GB

NUT, 7/8-9 nylon insert

4шт.

4

484936R91

HALF BLADE

BLADE W/BUSHING, 3/8 suction plain pair, standard

1шт.

4

484938R91

BLADE

W/BUSHING, 3/8 suction coated pair

1шт.

4

484937R91

BLADE

W/BUSHING, 3/8 str plain pair

1шт.

4

484939R91

BLADE

W/BUSHING, 3/8 str coated pair

1шт.

4

546743R91

BLADE

W/BUSHING, 1/2 suction plain pair

1шт.

4

484943R91

PACKAGE

BLADE W/BUSHING, 1/2 str coated pair

1шт.

4

484942R91

BLADE

W/BUSHING, 1/2 suction coated pair

1шт.

4

484935R91

BLADE W/BUSHING, 3/8 extra HV duty pair

1шт.

5

483602R1

BUSHING, blade, for all 3/8 inch blades

1шт.

5

484929R1

BUSHING

blade, for all 1/2 inch blades

1шт.

6

485379R1

BAR, rotor upper, machines w/shredder

1шт.

20664R1

BOLT,Hex, 5/8" - 11 x 2 3/4", Gr 8

SCREW, 5/8-11 x 2-3/4 C-Z hex-hd cap

2шт.

19647R1

LOCK NUT,5/8"-11, GC

NYLON, 5/8-11 nylon insert

2шт.

7

472793R1

KNIFE

side mounted shredding, machines w/shredder, Serial Range: 1966-1967

1шт.

180179

BOLT,Hex, 1/2" - 13 x 1 3/4", Gr 5

SCREW, 1/2-13 x 1-3/4 C-Z hex-hd cap

3шт.

120384

WASHER,1/2"

LOCK, 1/2"

3шт.

120378

NUT,Hex, 1/2" - 13, Gr 5

NUT, 1/2"-13, G5

3шт.

8

484456R1

PLATE, reinforcement

1шт.

9

484454R1

BOLT

7/8-9 x 2.3 crg, machines w/shredder

2шт.

10

484937R91

BLADE

W/BUSHING, 3/8 str plain pair

1шт.

10

484939R91

BLADE

W/BUSHING, 3/8 str coated pair

1шт.

10

484941R91

HALF BLADE

BLADE W/BUSHING, 1/2 str plain pair

1шт.

11

483602R1

BUSHING, blade, for 3/8

1шт.

11

484929R1

BUSHING

blade, for 1/2

1шт.

12

484453R1

WASHER

2шт.

13

547482R1

STRIP, shelf shredding

2шт.

19956R1

BOLT, 1/2 x 1-3/8 znd sq nk cge

4шт.

178374R1

WASHER

17/32 x 1-1/4 x 16 ga C-Z

4шт.

9413956

LOCK NUT,1/2"-13, GB

NUT, 1/2-13 prevailing torque hex. lock

4шт.

Выбрано товаров: 36