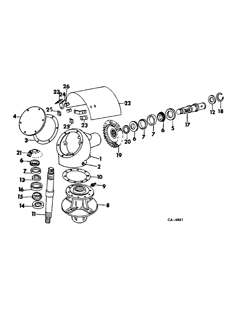
Запчасти Case IH 400 (U-7) - GEAR HOUSING

Схема запчастей Case IH 400 - (U-7) - GEAR HOUSING
FIT
1:1
100%

Артикул

Название

Примечание

Количество

1

478800R1

HOUSING, upper gear

1шт.

495538R1

PLUG, 3/8 sq-hd drilled pipe filler

1шт.

2

445673

PIPE PLUG,Sq Hd, 3/8"-18 NPTF

PLUG, 3/8-18 auto-sq-hd pipe drain, optional w/445686

2шт.

2

445686

PLUG

3/8-18 auto-sq-hd pipe drain, optional w/445673

1шт.

3

663607R1

GASKET

gear case cover

1шт.

4

663596R1

COVER, main gear housing

1шт.

18764R1

HARDWARE,Hex, 5/16"-18 x 3/4", G2

BOLT, 5/16-18 3/4 hex-hd mach

6шт.

80681

LOCK WASHER,5/16"

WASHER, LOCK, 5/16"

6шт.

5

380922R91

OIL SEAL,42.42mm ID x 69.95mm OD x 12.7mm Thk

main gear housing oil

1шт.

6

618023R91

BEARING ASSY,34.93mm ID x 18.2mm W

BEARING ASSY, cone, optional w/371897R91

3шт.

6

371897R91

BEARING ASSY,1.315" ID x 2.5625" OD x 0.72"

BEARING ASSY, cone, optional w/618023R91

3шт.

7

618024R1

BEARING CUP,65.113mm OD x 13.97mm W

Optional w/371898R1

3шт.

7

371898R1

BEARING, CUP

Optional w/618024R1

1шт.

8

664014R3

HOUSING, lower

1шт.

226092R1

BOLT,Hex, 7/16" - 14 x 1 1/2", Gr 8

SCREW, 7/16-14 x 1-1/4 hex-hd cap

10шт.

20665R1

BOLT,Hex, 5/8" - 11 x 4 1/4", Gr 8

SPACER, 5/8-11 x 4-1/4 hex-hd cap

4шт.

19647R1

LOCK NUT,5/8"-11, GC

NUT, 5/8-11 nylon insert type 8

4шт.

131100

LOCK WASHER,7/16"

WASHER, LOCK, 7/16"

10шт.

9

87414

LUBE NIPPLE,1/4" - 28

FITTING, 1/4-28 self tapping str lub

1шт.

10

478801R1

SHIM, lower housing, .020

2шт.

10

478802R1

SHIM

lower housing, .007

2шт.

10

478803R1

SHIM

lower housing, .005

2шт.

11

58807C1

SHAFT, vertical

1шт.

427645

SLOTTED NUT,7/8"-14, G5

NUT, 7/8-14 slt hex.

1шт.

103387

COTTER PIN,1/8" x 1 1/2"

Pin, Split (Cotter), 1/8" x 1 1/2"

1шт.

12

493814R1

WASHER, 29/32 x 2 x 3 ga

2шт.

427645

SLOTTED NUT,7/8"-14, G5

NUT, 7/8-14 slt hex.

2шт.

103387

COTTER PIN,1/8" x 1 1/2"

Pin, Split (Cotter), 1/8" x 1 1/2"

2шт.

13

663566R91

OIL SEAL

vertical shaft upper oil

1шт.

14

63793C91

OIL SEAL

vertical shaft lower oil

1шт.

15

459454R91

ROLLER BEARING,1.563" ID x 1.01"

BEARING ASSY, vertical shaft cone

1шт.

16

17498D

TAPERED BEARING," ID x 76.2125 mm OD x 23.9135 mm

BEARING, vertical shaft lower cap

1шт.

17

58808C1

SHAFT, horizontal shear pin

1шт.

542163R1

WASHER, 1-13/32 x 1-5/8 x 16 ga

1шт.

22089R1

HEADED PIN,1/2" x 2 7/8"

PIN, 1/2 x 2-7/8 znd std-hd H.T.

1шт.

18481R1

COTTER PIN,3/16" x 1"

PIN, SPLIT (COTTER), 3/16" x 1"

1шт.

18

659380R1

SNAP RING,#137, Ext

Ring, Snap, #137, Ext

1шт.

19

549251R1

GEAR

input drive bevel 20T, drive gear on input

1шт.

20

663604R2

SHIM

bevel drive gear, .020

2шт.

20

663605R2

SHIM

bevel drive gear, .007

2шт.

20

663606R2

SHIM

bevel drive gear, .005

2шт.

21

549252R2

GEAR

output driven bevel, 15T

1шт.

22

469382R1

SHIELD, slip clutch

1шт.

180122

BOLT,Hex, 3/8" - 16 x 1", Gr 5

3/8-16 x 1 znd hex-hd cap

4шт.

664645R1

LOCK NUT,3/8"-16, GB

NUT, 3/8-16 hex. lock

4шт.

619856R1

WASHER

13/32 x 1 x 16 ga cd

4шт.

23

469913R1

SPACER, rubber

2шт.

24

469383R1

BRACKET, slip clutch shield

2шт.

26316R1

BOLT,Hex, 1/2" - 13 x 1", Gr 8

SCREW, 1/2-13 x 1 PHC type 8

2шт.

25

471111R1

PAD

SPACER, rubber

2шт.

26

378359R1

RETAINER, bolt

2шт.

Выбрано товаров: 51