Запчасти Case IH 410 (F-15) - GAUGE WHEEL ATTACHMENT

Схема запчастей Case IH 410 - (F-15) - GAUGE WHEEL ATTACHMENT
FIT
1:1
100%

Артикул

Название

Примечание

Количество

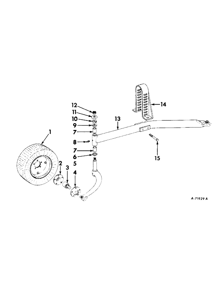
1

469369R91

BOX

WHEEL W/TIRE ASSY, gauge (4.00-8)

1шт.

2

465236R1

COVER

HOUSING, closed bearing

1шт.

NUT, 3/8"

5шт.

SCREW, 3/8 x 1" cap

5шт.

465466R1

WASHER, 3/8" external-tooth lock

10шт.

3

ST686

BALL BEARING,47.63mm OD x 88.09mm L

BEARING, ball

1шт.

4

465235R1

RETAINER

HOUSING, open bearing

1шт.

5

465228R91

AXLE

ASSY, caster wheel

1шт.

114503

JAM NUT,Jam, 3/8"-16, G5

1шт.

102455

SWITCH

SCREW, 3/8 x 7/8 sq-hd ov-pt set

1шт.

6

551660R1

WASHER

1-5/32 x 2" x 16 ga

1шт.

7

454154R1

BUSHING

2шт.

8

87414

LUBE NIPPLE,1/4" - 28

FITTING, 1/4" self-tapping lubrication

1шт.

9

575814R1

WASHER

25/32 x 2" x 11 ga

1шт.

10

465232R1

RUBBER WASHER

rubber axle

1шт.

11

465231R1

CUP WASHER

cupped axle

1шт.

12

69442D

NUT

3/4" slt jam

1шт.

PIN, 1/8 x 2" cotter

1шт.

13

469312R91

PIPE ASSY, gauge wheel

1шт.

18444R1

NUT,3/4"-10, GB

3/4" ESNA stop

1шт.

271620

BOLT

SCREW, 3/4-10 x 4-1/4 hex-hd cap

1шт.

14

471112R91

BRACKET ASSY, gauge wheel

1шт.

NUT, 1/2"

2шт.

SCREW, 1/2 x 1-1/2" cap

1шт.

WASHER, 1/2" lock

2шт.

WASHER, 17/32 x 1 x 11 ga

2шт.

15

522245R1

BOLT, 1/2 x 5-3/4" crg

1шт.

NUT, 1/2"

1шт.

WASHER, 1/2" lock

1шт.

WASHER, 17/32 x 1 x 11 ga

1шт.

Выбрано товаров: 30