Запчасти Case IH 410 (F-18) - FRONT POWER DRIVE EQUIPMENT (ROCKWELL STANDARD), (FOR TRAILING TYPE)

Схема запчастей Case IH 410 - (F-18) - FRONT POWER DRIVE EQUIPMENT (ROCKWELL STANDARD), (FOR TRAILING TYPE)
FIT
1:1
100%

Артикул

Название

Примечание

Количество

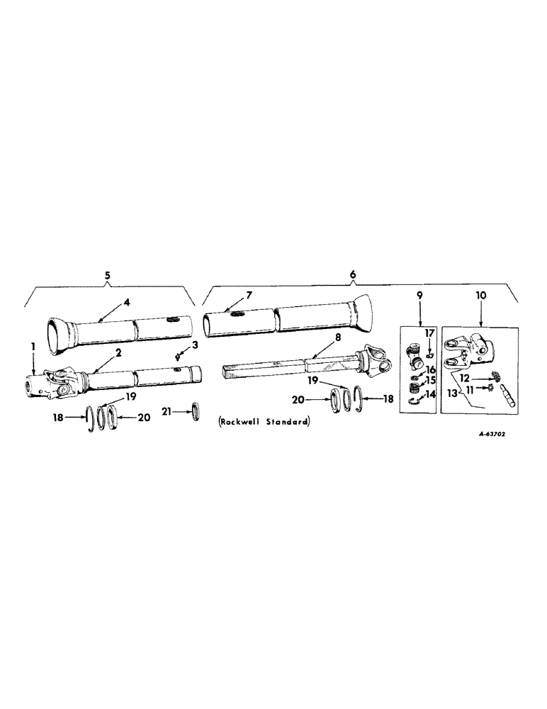
1

460620R11

FORK TEDDER

YOKE W/SET SCREW AND NUT, splined

1шт.

For use with 310 rotary cutter. (1962 to 1966)

1шт.

114496

HOURMETER,Jam, 1/2"-20, G5

NUT, 1/2 UNF jam

1шт.

38904K

SET SCREW,1/2" - 20 x 1-9/16"

SCREW, 1/2 UNF 1-3/16" sq-hd cup-pt set screw

1шт.

1

664179R11

YOKE W/SET SCREW AND NUT, splined

1шт.

For use with 410 rotary cutter.

1шт.

114496

HOURMETER,Jam, 1/2"-20, G5

NUT, 1/2 UNF jam

1шт.

38904K

SET SCREW,1/2" - 20 x 1-9/16"

SCREW, 1/2 UNF 1-3/16" sq-hd cup-pt set screw

1шт.

2

469438R1

YOKE

W/SLEEVE ASSY, tube

1шт.

For use with 310 rotary cutter. (1962 to 1966)

1шт.

2

466372R1

YOKE

W/SLEEVE ASSY, tube

1шт.

For use with 410 rotary cutter.

1шт.

3

19688R1

LUBE NIPPLE,1/4"-28 x .44" lg

FITTING, 1/4" straight lubriaction

1шт.

4

469437R1

SHIELD, inner

1шт.

For use with 310 rotary cutter. (1962 to 1966)

1шт.

4

466374R2

SHIELD

inner

1шт.

For use with 410 rotary cutter.

1шт.

5

469355R91

JOINT ASSY, rear half of double universal (implement end)

1шт.

For use with 310 rotary cutter. (1962 to 1966)

1шт.

5

466369R92

SHAFT

JOINT ASSY, rear half of double universal (implement end)

1шт.

For use with 410 rotary cutter.

1шт.

6

472856R91

JOINT ASSY, front half of double universal (tractors end) (for 1000 RPM-PTO)

1шт.

For use with 310 rotary cutter. (1962 to 1966)

1шт.

6

469354R91

JOINT ASSY, front half of double universal (tractors end)

1шт.

For use with 310 rotary cutter. (1962 to 1966)

1шт.

6

472893R91

JOINT ASSY, front half of double universal (tractor end) (for 1000 RPM-PTO)

1шт.

For use with 410 rotary cutter.

1шт.

6

466370R91

JOINT

ASSY, front half of double universal (tractor end) (order 935843R91)

1шт.

For use with 410 rotary cutter.

1шт.

6

935843R91

SEAL ASSY.

JOINT ASSY, front half of double universal (tractor end)

1шт.

For use with 410 rotary cutter.

1шт.

7

469436R1

SHIELD, outer

1шт.

For use with 310 rotary cutter. (1962 to 1966)

1шт.

7

466371R1

SHIELD

outer

1шт.

For use with 410 rotary cutter.

1шт.

8

469435R1

YOKE

W/SHAFT

1шт.

For use with 310 rotary cutter. (1962 to 1966)

1шт.

8

466373R1

YOKE

W/SHAFT, (order 935844R91)

1шт.

For use with 410 rotary cutter.

1шт.

8

935844R91

YOKE

E/SHAFT

1шт.

For use with 410 rotary cutter.

1шт.

9

569047R91

REPAIR KIT

CENTER CROSS ASSY

2шт.

For use with 310 rotary cutter. (1962 to 1966)

1шт.

9

660116R91

NUT

CENTER CROSS ASSY

2шт.

For use with 410 rotary cutter.

1шт.

10

472857R91

YOKE

ASSY, quick detachable (1-3/8" spline) (for 1000 RPM-PTO)

1шт.

For use with 310 rotary cutter. (1962 to 1966)

1шт.

10

568100R92

YOKE

ASSY, quick detachable (1-3/8" spline)

1шт.

For use with 410 rotary cutter.

1шт.

10

583876R11

YOKE

ASSY, quick detachable (1-3/8") spline) (for 1000 RPM-PTO)

1шт.

For use with 410 rotary cutter.

1шт.

11

661406R1

LOCK WASHER,4.83mm ID x 18.542mm OD x 1.65mm Thk

X-WASHER, locking pin

1шт.

12

455347R1

VALVE SPRING

SPRING, locking pin

1шт.

12

587479R1

SPRING

locking pin (for 1000 RPM-PTO)

1шт.

For use with 410 rotary cutter.

1шт.

For use with 310 rotary cutter. (1962 to 1966)

1шт.

13

455346R21

PIN

W/SPRING AND X-WASHER, locking

1шт.

13

631976R91

PIN

W/SPRING AND X-WASHER, locking (for 1000 RPM-PTO)

1шт.

For use with 410 rotary cutter.

1шт.

For use with 310 rotary cutter. (1962 to 1966)

1шт.

14

576420R1

RING

SNAP RING

8шт.

For use with 310 rotary cutter. (1962 to 1966)

1шт.

14

495962R1

RING

SNAP RING

8шт.

For use with 410 rotary cutter.

1шт.

15

569044R91

BEARING ASSY

ASSY, needle

8шт.

For use with 310 rotary cutter. (1962 to 1966)

1шт.

15

661671R91

JOINT

BEARING ASSY, needle

8шт.

For use with 410 rotary cutter.

1шт.

16

NOT USED

1шт.

17

80711

LUBE NIPPLE,65 Degree, 1/8" NPT x 7/8" lg

FITTING, 1/8-65 degree elbow lubrication

2шт.

18

613436R1

CLAMP

RING, shield retaining

2шт.

19

613437R1

THRUST WASHER,62.2mm ID x 71.12mm OD x 1.7mm Thk

thrust

2шт.

20

464920R1

NYLON BEARING,2.08" ID x 2.8" OD x 0.38"

nylon

2шт.

21

613439R1

BRACKET

SUPPORT, nylon

1шт.

Выбрано товаров: 74