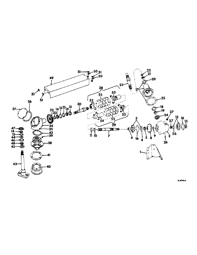
Запчасти Case IH 711 (R-05) - GEAR HOUSING

Схема запчастей Case IH 711 - (R-05) - GEAR HOUSING
FIT
1:1
100%

Артикул

Название

Примечание

Количество

1

486288R1

BRACKET ASSY, gear box

1шт.

22892R1

NUT, 5/8-11 znd hex. nylon insert

1шт.

271548

BOLT (SPREADER),Hex, 5/8" - 11 x 1 3/4", Gr 5

SCREW, 5/8-11 x 1-3/4 znd hex-hd cap

4шт.

279993R1

SCREW W/NYLON INSERT, 5/8-11 x 1-1/4 hex-hd cap

3шт.

492-11062

BEARING WASHER,5/8"

WASHER, LOCK, 5/8"

3шт.

2

674403R1

HOUSING

CASE, main drive

1шт.

20059VA

PLUG, 1/8 slt-hdls pipe

2шт.

179833

BOLT,Hex, 3/8" - 16 x 1/2", Gr 5, Full Thd

1шт.

120382

LOCK WASHER,Helical Spring, 3/8"

WASHER, LOCK, 3/8"

1шт.

3

466312R11

CAP W/CUP, main drive case right

1шт.

313756R1

BOLT (SPREADER),Pan, M8 x 18mm

SCREW, 3/8-16 x 1-1/4 hex-hd nylok cap

2шт.

21282R1

BOLT

SCREW, 3/8-16 x 1-1/2 hex-hd nylok cap

2шт.

120382

LOCK WASHER,Helical Spring, 3/8"

WASHER, LOCK, 3/8"

4шт.

4

567847R1

BEARING, CUP,76.22mm OD x 17.46mm W

BEARING, ouput shaft right cup

1шт.

5

567848R91

CONE

BEARING ASSY, output shaft right cone

1шт.

6

83163R91

OIL SEAL

output shaft right oil

1шт.

7

486290R1

SHAFT, output

1шт.

8

472891R1

GEAR, drive, 21 T

1шт.

9

573984R1

SNAP RING

RING, shaft retaining output

1шт.

10

376909R1

SNAP RING,#137, 1.291", Ext

RING, shaft retaining output

1шт.

11

487000R1

BUSHING, spacer

1шт.

12

626840R11

CAP

W/CUP, main drive case left

1шт.

313756R1

BOLT (SPREADER),Pan, M8 x 18mm

SCREW, 3/8-16 x 1-1/4 hex-hd nylok cap

2шт.

21282R1

BOLT

SCREW, 3/8-16 x 1-1/2 hex-hd nylok cap

2шт.

120382

LOCK WASHER,Helical Spring, 3/8"

WASHER, LOCK, 3/8"

4шт.

13

618024R1

BEARING CUP,65.113mm OD x 13.97mm W

Gear case

6шт.

14

618023R91

BEARING ASSY,34.93mm ID x 18.2mm W

BEARING ASSY, gear case cone

6шт.

15

629355R91

SEAL

main drive case oil

1шт.

16

673358R91

PACKAGE

KIT, cap and cover shim

3шт.

17

466299R11

HOUSING

W/CUP, main drive case

1шт.

444574

PLUG,Sq Hd, 1/4"-18 NPTF

1/4-18 auto. sq-hd pipe

1шт.

313756R1

BOLT (SPREADER),Pan, M8 x 18mm

SCREW, 3/8-16 x 1-1/4 hex-hd nylok cap

3шт.

21282R1

BOLT

SCREW, 3/8-16 x 1-1/2 hex-hd nylok cap

3шт.

120382

LOCK WASHER,Helical Spring, 3/8"

WASHER, LOCK, 3/8"

6шт.

18

13201D

TAPERED BEARING

BEARING, main drive case inner cup

1шт.

19

13499DA

TAPERED BEARING

BEARING ASSY, main drive case inner cone

1шт.

20

13324D

BEARING CUP,2.391" ID x 3.001" OD x 0.952"

main drive case outer cup

1шт.

21

13330DB

BEARING

ASSY, main drive case outer cone

1шт.

22

470974R91

OIL SEAL

SEAL, main drive case outer brg oil

1шт.

23

486291R2

SHAFT, horizontal input

1шт.

427645

SLOTTED NUT,7/8"-14, G5

NUT, 7/8-14 slt hex.

1шт.

103387

COTTER PIN,1/8" x 1 1/2"

Pin, Split (Cotter), 1/8" x 1 1/2"

1шт.

21460R1

SCREW W/NYLON INSERT, 7/16-14 x 1-3/8 hex-hd cap

1шт.

180440

WASHER

7/16 HV int-tooth lock

1шт.

486791R1

WASHER

15/32 x 1-1/2 x 1/4 C-Z

1шт.

493814R1

WASHER, 29/32 x 2 x 3 ga

1шт.

24

472890R2

GEAR

drive, 21 T

1шт.

25

673359R91

KIT

main drive and housing shim

1шт.

26

464989R1

VENT

BREATHER, main drive case

1шт.

27

444598

PLUG

1-11-1/2 auto. sq-hd pipe

1шт.

28

486295R91

COUPLING W/SHAFT ASSY, shock

2шт.

29

486296R91

COUPLING W/TUBE ASSY, shock

2шт.

30

486292R11

SHAFT W/NUT AND PIN, horizontal

2шт.

427645

SLOTTED NUT,7/8"-14, G5

NUT, 7/8-14 slt hex.

2шт.

103387

COTTER PIN,1/8" x 1 1/2"

Pin, Split (Cotter), 1/8" x 1 1/2"

2шт.

493814R1

WASHER, 29/32 x 2 x 3 ga

2шт.

31

378157R91

OIL RESERVOIR

SEAL, oil

2шт.

32

469248R2

GEAR, drive bevel, 20 T, 540 RPM power take-off

2шт.

32

469392R2

GEAR

drive bevel, 15 T, 1000 RPM take-off

2шт.

33

663604R2

SHIM

gear case, .020

4шт.

33

663605R2

SHIM

gear case, .007

4шт.

33

663606R2

SHIM

gear case, .005

4шт.

34

478800R1

HOUSING, upper gear

2шт.

445673

PIPE PLUG,Sq Hd, 3/8"-18 NPTF

PLUG, 3/8-18 auto. sq-hd pipe

4шт.

35

495538R1

PLUG, main drive housing

2шт.

87395

COTTER PIN,1/8" OD x 1-1/4" OAL

PIN, SPLIT (COTTER), 1/8" x 1-1/4"

2шт.

36

663607R1

GASKET

gear case cover

2шт.

37

663596R1

COVER, main gear housing

2шт.

18764R1

HARDWARE,Hex, 5/16"-18 x 3/4", G2

BOLT, 5/16-18 x 3/4 C-Z hex-hd mach

12шт.

80681

LOCK WASHER,5/16"

WASHER, LOCK, 5/16"

12шт.

38

469252R2

HOUSING, lower shaft

2шт.

226092R1

BOLT,Hex, 7/16" - 14 x 1 1/2", Gr 8

SCREW, 7/16-14 x 1-1/2 C-Z hex-hd cap

20шт.

131100

LOCK WASHER,7/16"

WASHER, LOCK, 7/16"

20шт.

39

87414

LUBE NIPPLE,1/4" - 28

FITTING, 1/4-28 self tapping str lub, lower shaft housing

2шт.

40

486293R1

RING, bar stabilizer

2шт.

223457

BOLT (SPREADER)

SCREW, 3/4-10 x 3-3/4 hex-hd cap

8шт.

22244R1

LOCK NUT

3/4-10 znd hex. nylon insert

8шт.

41

486800R1

SHIM, stabilizer ring, or as required

14шт.

42

478801R1

SHIM, lower shaft housing, .020

4шт.

42

478802R1

SHIM

lower shaft housing, .007

4шт.

42

478803R1

SHIM

lower shaft housing, .005

4шт.

43

492010R2

SHAFT

vertical

2шт.

427645

SLOTTED NUT,7/8"-14, G5

NUT, 7/8-14 slt hex.

2шт.

103387

COTTER PIN,1/8" x 1 1/2"

Pin, Split (Cotter), 1/8" x 1 1/2"

2шт.

493814R1

WASHER, 29/32 x 2 x 3 ga

2шт.

44

20108D

SEAL

lower shaft oil upper

2шт.

45

664068R91

SEAL

lower shaft oil lower

2шт.

46

17498D

TAPERED BEARING," ID x 76.2125 mm OD x 23.9135 mm

BEARING, lower shaft bearing cup

2шт.

47

469392R2

GEAR

driven bevel, 15 T, 540 RPM power take-off

2шт.

47

469248R2

GEAR, driven bevel, 20 T, 1000 RPM power take-off

2шт.

48

459454R91

ROLLER BEARING,1.563" ID x 1.01"

BEARING ASSY, lower shaft cone

2шт.

49

486363R1

SHIELD W/PRODUCT GRAPHIC ASSY, cross

2шт.

21458RU

SCREW W/NYLON INSERT, 1/2-13 x 1 C-Z hex-hd cap

4шт.

120384

WASHER,1/2"

LOCK, 1/2"

4шт.

50

486325R1

BRACKET, cross shield

4шт.

473371R1

FLANGE NUT

NUT, 3/8-16 C-Z flange lock

4шт.

18495R1

BOLT,Hex, 3/8" - 16 x 1 1/4", Gr 2

SCREW, 3/8-16 x 1-1/4 C-Z hex-hd cap

4шт.

619856R1

WASHER

13/32 x 1 x 16 ga C-Z

4шт.

51

471111R1

PAD

SPACER, rubber

8шт.

52

486568R1

SPIDER

2шт.

114496

HOURMETER,Jam, 1/2"-20, G5

NUT, 1/2-20 hex. jam

1шт.

100372

SCREW, 1/2-20 x 1-1/4 dog-pt sq-hd set Hex, 5/16"-24 x 4", G5

2шт.

38904K

SET SCREW,1/2" - 20 x 1-9/16"

SCREW, 1/2-20 x 1-3/16 sq-hd cone-pt set

2шт.

53

486570R1

SPIDER W/SHAFT

1шт.

54

486569R1

SPIDER W/SLEEVE

1шт.

55

486571R1

RETAINER

DISC

8шт.

102649

SLOTTED NUT,5/8"-18, G5

NUT, 5/8"-18, G5

12шт.

108637

COTTER PIN,5/32" x 1 1/8"

Pin, Split (Cotter), 5/32" x 1 1/8"

12шт.

486580R1

SCREW, 5/8-18 x 3/1/4 hex-hd cap

12шт.

486883R1

WASHER, 21/32 x 1 x 14 ga

12шт.

486572R1

WASHER, beaded

12шт.

56

618024R1

BEARING CUP,65.113mm OD x 13.97mm W

Input shaft left

1шт.

57

618023R91

BEARING ASSY,34.93mm ID x 18.2mm W

BEARING ASSY, input shaft left cone

1шт.

Выбрано товаров: 113