Запчасти Case IH 54FMS (48) - MAIN FRAME, 54 FMS SNOW THROWER

Схема запчастей Case IH 54FMS - (48) - MAIN FRAME, 54 FMS SNOW THROWER
FIT
1:1
100%

Артикул

Название

Примечание

Количество

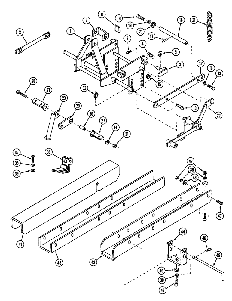
1

1976300C1

BRACKET

FRAME - main

1шт.

2

1976303C1

LINK

- top

1шт.

3

1958440C1

PIN

- quick release

4шт.

4

1958442C1

SPRING

- release pin tension

4шт.

5

373522R1

SNAP RING,#87, .668" Dia, E-Type

Ring, Retaining, #87, .668" Dia, E-Type

4шт.

6

480523R1

HAIR PIN COTTER

2шт.

7

1976305C1

BRACKET

- bumper

1шт.

8

1958352C1

PAD

- bracket

4шт.

12

1958381C1

BAR

BRACKET - drive shaft support

2шт.

13

113-417

BOLT,Hex, 1/2" - 13 x 1-1/4", Gr 5, Full Thd

4шт.

14

192-23

LOCK WASHER,1/2"

WASHER, LOCK, 1/2"

1шт.

15

9413967

LOCK NUT,1/2"-13, GB

NUT - hex lock, 1/2 inch NC

4шт.

16

1958385C1

ROD

SHAFT - drive

1шт.

17

138-96

LOCK PIN,3/16" x 1", Slotted

PIN, 3/16" x 1", Slotted

1шт.

18

113-417

BOLT,Hex, 1/2" - 13 x 1-1/4", Gr 5, Full Thd

2шт.

19

192-23

LOCK WASHER,1/2"

WASHER, LOCK, 1/2"

2шт.

20

433740

WASHER - shaft backup

1шт.

21

1960268C1

SPRING

- breakover tension

4шт.

22

1976306C1

LINK

- side mounting

2шт.

23

1976302C1

TUBE

- stop

1шт.

27

1976288C1

ANCHOR

- spring

2шт.

28

113-429

BOLT,Hex, 1/2" - 13 x 5", Gr 5

1шт.

29

1976301C1

STRAP

- cylinder mounting

1шт.

30

1976304C1

SPACER

- mounting strap

1шт.

31

129-105

NUT,Hex, 1/2" - 13, Gr 5

1шт.

32

3057346R11

LINCH PIN

PIN - clinch

2шт.

36

1976307C1

BRACKET

- guard mounting

1шт.

37

614-8016

BOLT,Hex, M8 x 1.25 x 16mm, Cl 8.8, Full Thd

- special

2шт.

38

192-20

LOCK WASHER,Helical Spring, 0.318" ID, CST, ZND

WASHER, LOCK, 5/16"

2шт.

39

446363

WASHER,5/16"

- flat, 3/8 x 7/8 x 5/64 inch

2шт.

41

1958375C1

COVER

- PTO

1шт.

42

1958374C1

SHIELD

GUARD - drive shaft, rear

1шт.

43

1958372C1

SHIELD

GUARD - drive shaft, front

1шт.

44

1958373C1

SUPPORT

BRACKET - guard mounting

1шт.

45

1960264C1

PIN

- locating

1шт.

46

407207R1

CLIP

PIN - hair (Package of 50)

1шт.

47

598802R1

CARRIAGE BOLT,Short NK, 5/16"-18 x 3/4", G5, Full Thd

BOLT - round head square neck

7шт.

48

195-104

WASHER,3/8"

- flat, 7/16 x 1 x 5/64 inch

4шт.

49

938017R1

FLANGE NUT,Flg, USR, 5/16"-18

- hex flange, 5/16 inch NC

7шт.

Выбрано товаров: 39