Запчасти Case IH 54FRS (24) - HEADER MOUNTING FRAME, 54 FRS SNOW THROWER

Схема запчастей Case IH 54FRS - (24) - HEADER MOUNTING FRAME, 54 FRS SNOW THROWER
FIT
1:1
100%

Артикул

Название

Примечание

Количество

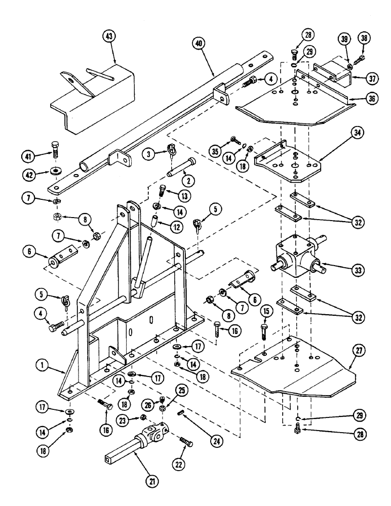
1

1976286C1

FRAME

- header mounting

1шт.

2

1958226C1

PIN

- locating

1шт.

3

A30338

PIN

- clinch

1шт.

4

113-412

BOLT,Hex, 1/2" - 13 x 1-3/4", Gr 5

2шт.

5

3057346R11

LINCH PIN

PIN - clinch

2шт.

6

1976288C1

ANCHOR

- spring

2шт.

7

192-23

LOCK WASHER,1/2"

WASHER, LOCK, 1/2"

6шт.

8

129-105

NUT,Hex, 1/2" - 13, Gr 5

6шт.

12

1976287C1

SPACER

- header

1шт.

13

113-219

BOLT,Hex, 3/8" - 16 x 2", Gr 5

1шт.

14

192-21

LOCK WASHER,3/8"

WASHER, LOCK, 3/8"

10шт.

15

113-209

BOLT,Hex, 3/8" - 16 x 1-1/2", Gr 5

3шт.

16

113-208

BOLT,Hex, 3/8" - 16 x 1-1/4", Gr 5

4шт.

17

195-104

WASHER,3/8"

- flat, 7/16 x 1 x 5/64 inch

7шт.

18

129-103

NUT,Hex, 3/8" - 16, Gr 5

NUT, 3/8"-16, G5

9шт.

21

1976291C1

SHAFT

JOINT ASSEMBLY - universal

1шт.

22

113-110

BOLT,Hex, 5/16" - 18 x 2-1/4", Gr 5

Hex, 5/16"-18 x 2 1/4", G5

1шт.

23

25077R1

LOCK NUT,5/16"-18, GB

NUT, LOCK, 5/16"-18, GB

1шт.

24

1954928C1

KEY

- square

1шт.

25

25932R1

JAM NUT,Jam, 3/8"-16, G5

- hex jam, 3/8 inch NC

1шт.

26

139416

SCREW,Hdls Hex Skt, 3/8" - 16 x 5/8"

- hex socket set, 3/8 NC x 5/8 inch

1шт.

27

1976289C1

PLATE

- gearbox mounting

1шт.

28

113-103

BOLT,Hex, 5/16" - 18 x 1", Gr 5

8шт.

29

192-20

LOCK WASHER,Helical Spring, 0.318" ID, CST, ZND

WASHER, LOCK, 5/16"

8шт.

32

1976295C1

SPACER

STRAP - gearbox spacer

4шт.

33

REF

INSTRUCTION

GEARBOX ASSEMBLY - snow thrower (See page 26)

1шт.

34

1976292C1

PLATE

- gearbox mounting

1шт.

35

111-371

CARRIAGE BOLT,Short NK, 3/8"-16 x 1", G5, Full Thd

BOLT, CARRIAGE, Short NK, 3/8"-16 x 1", Full Thd

2шт.

36

1976293C1

PLATE

- gearbox cover

1шт.

37

1976294C1

BRACKET

- gearbox cover

1шт.

38

25228R1

BOLT,Hex, 5/16" - 18 x 3/4", Gr 8

- hex, 5/16 NC x 5/8 inch

2шт.

39

25077R1

LOCK NUT,5/16"-18, GB

NUT, LOCK, 5/16"-18, GB

2шт.

40

1976285C1

SUPPORT

- mounting

1шт.

41

113-410

BOLT,Hex, 1/2" - 13 x 1-1/2", Gr 5, Full Thd

4шт.

42

25710R1

WASHER

- flat, 17/32 x 1-1/16 x 3/32 inch

4шт.

43

1976299C1

COVER

- PTO

1шт.

Выбрано товаров: 36