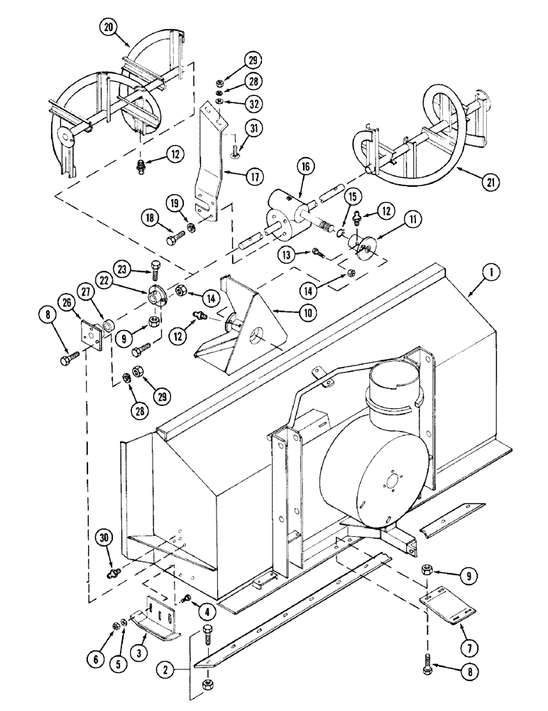
Запчасти Case IH C100 (34) - AUGER HOUSING

Схема запчастей Case IH C100 - (34) - AUGER HOUSING
FIT
1:1
100%

Артикул

Название

Примечание

Количество

1

1346769C1

HOUSING

- auger

1шт.

2

1349578C1

HALF BLADE

KIT - scraper blade

1шт.

434-516

CARRIAGE BOLT,Sht Sq Nk, 5/16" - 18 x 1", Gr 5

BOLT - round head square neck, 5/16 NC x 1 inch

9шт.

131-176

LOCK NUT,Prev Torque, Hex, 5/16" - 18, Gr A

NUT - hex, self-locking, 5/16 inch NC

9шт.

3

1346779C1

SHOE

- skid

2шт.

4

434-824

CARRIAGE BOLT,Sht Sq Nk, 1/2" - 13 x 1 1/2", Gr 5

BOLT - round head square neck, 1/2 NC x 1-1/2 inch

6шт.

5

3068739R1

WASHER

- flat, 17/32 x 1-1/2 x 3/16 inch

6шт.

6

131-1182

LOCK NUT,1/2"-13, GA

NUT - hex, self-locking, 1/2 inch NC

6шт.

7

1346776C1

BRACKET

- chainbox

1шт.

8

413-616

BOLT,Hex, 3/8" - 16 x 1", Gr 5

- hex, 3/8 NC x 1 inch

10шт.

9

230-4216

LOCK NUT,3/8"-16, GA

NUT - hex, self-locking, 3/8 inch NC

6шт.

10

1346780C1

FAN

- impeller

1шт.

11

1346781C1

COUPLING

COUPLER - gearbox

1шт.

12

219-10

LUBE NIPPLE,1/4" - 28 NPTF

FITTING - grease, 1/4 inch

4шт.

13

413-512

BOLT,Hex, 5/16" - 18 x 3/4", Gr 5

- hex, 5/16 NC x 3/4 inch

3шт.

14

131-176

LOCK NUT,Prev Torque, Hex, 5/16" - 18, Gr A

NUT - hex, self-locking, 5/16 inch NC

5шт.

15

A34428

SNAP RING,#98, Ext

Ring, Snap, #98, Ext

1шт.

16

REF

INSTRUCTION

GEARBOX - drive (See page 44)

1шт.

17

1346783C1

BRACKET

- gearbox support

1шт.

18

413-816

BOLT,Hex, 1/2" - 13 x 1", Gr 5

4шт.

19

80679

LOCK WASHER,1/20.507 CST ZND

WASHER, LOCK, 1/2"

4шт.

20

1349514C1

AUGER

- snow thrower, left (Replaces 1346784C1)

1шт.

21

1349515C1

AUGER

- snow thrower, right (Replaces 1346785C1)

1шт.

22

1346786C1

PLATE

- auger drive

2шт.

23

413-636

BOLT,Hex, 3/8" - 16 x 2-1/4", Gr 5

- hex, 3/8 NC x 2-1/4 inch

2шт.

26

1346787C1

BEARING

SUPPORT - auger bearing

2шт.

27

1346788C1

BUSHING

2шт.

28

492-11038

LOCK WASHER,3/8"

8шт.

29

425-106

NUT,3/8"-16, Cl 5

8шт.

30

219-1

LUBE NIPPLE,1/8" - 27 NPTF

FITTING - grease, straight, 1/8 PT x 21/32 inch

2шт.

31

434-620

CARRIAGE BOLT,Sht Sq Nk, 3/8" - 16 x 1 1/4", Gr 5

BOLT, CARRIAGE, Short NK, 3/8"-16 x 1 1/4", G5, Full Thd

2шт.

32

495-21044

WASHER,3/8"

(flat, 7/16 x 1 x 5/64 inch) 3/8"

2шт.

Выбрано товаров: 32