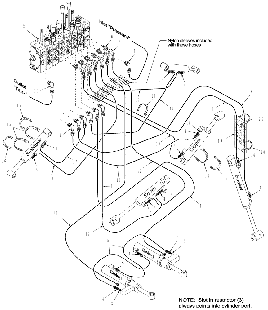
Запчасти Case IH 716393006 (31) - HYDRAULIC HOSES & FITTINGS

Схема запчастей Case IH 716393006 - (31) - HYDRAULIC HOSES & FITTINGS
4
10
12
20
4
2
4
7
3
4
11
3
12
14
4
4
6
5
17
12
11
4
4
10
15
14
4
19
8
16
4
4
18
16
4
13
20
16
4
9
17
18
1
4
13
15
18
20
FIT
1:1
100%

Артикул

Название

Примечание

Количество

1

76347

ELBOW,90 Degree, 9/16" - 18 JIC x 3/4" - 16 ORB

Fitting, Elbow, 9/16-18 JIC x 3/4 O-Ring, 90o

6шт.

2

SML45251

CONTROL VALVE

Valve, Gresen V-10 Refer to Fig. 29 for breakdown

1шт.

3

SML44942

RESTRICTOR VALVE

Restrictor .078

2шт.

4

SML328441

ADAPTER

Fitting, Adapter

16шт.

5

SML328376

FLEXIBLE HOSE

Hose, 1/4 x 30 (Swing Cylinder to Swing Cylinder)

2шт.

6

86071

HYD CONNECTOR,7/8" - 14 JIC x 3/4" - 16 ORB

Fitting, Adapter, 3/4 O-Ring x 9/16 JIC

6шт.

7

182977

90 ELBOW,90 Degree, 7/8"-14, 37 Degree x 7/8"-14, 37 Degree Fem Sw

Fitting, Elbow, 9/16-18 JIC x 9/16-18 JIC Swivel, 90o

6шт.

8

SML452334

FLEXIBLE HOSE

Hose, 3/8 x 140 (Bucket Cylinder - Rod End)

1шт.

9

SML452333

FLEXIBLE HOSE

Hose, 3/8 x 120 (Bucket Cylinder - Base End)

1шт.

10

SML452332

FLEXIBLE HOSE

Hose, 3/8 x 98 (Dipper Cylinder - Base and Rod Ends)

2шт.

11

128830

90 ELBOW,3/4" - 16 JIC x 3/4" - 16 ORB

1шт.

12

SML452331

FLEXIBLE HOSE

Hose, 3/8 x 78 (Boom Cylinder - Base and Rod Ends)

2шт.

13

SML3283712

HOSE,0.25" ID x 66.00"

(Stabilizer Cylinder - Rod End) 0.25" ID x 66.00"

2шт.

14

SML328379

HOSE,0.25" ID x 40.00"

(Swing Cylinder - Rod End) 0.25" ID x 40.00"

2шт.

15

SML60763

CABLE TIE

Hose Clamp

6шт.

16

SML448651

LOOM

Woven Cotton Loom

2шт.

17

SML3283714

FLEXIBLE HOSE

Hose, 1/4 x 60 (Stabilizer Cylinder - Base End)

2шт.

18

SML25944

PLATE

Restrictor, .109

4шт.

19

SML348539

RUBBER SLEEVE

Nylon Sleeve, 30"

3шт.

20

SML81371

STRAP

Adjust .19 x 11

2шт.

Выбрано товаров: 20