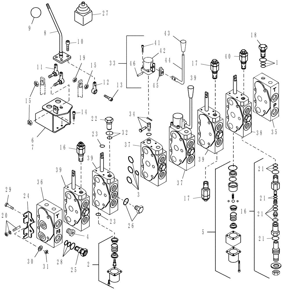
Запчасти Case IH 716735016 (26) - GRESEN VALVE V-10 - SML48217

Схема запчастей Case IH 716735016 - (26) - GRESEN VALVE V-10 - SML48217
23
15
20
37
8
11
35
1
46
45
5
17
17
22
15
38
26
4
43
40
3
30
42
31
13
28
19
44
39
2
39
24
39
27
23
10
21
16
29
34
33
14
7
39
25
21
21
16
32
37
41
21
18
9
12
6
36
FIT
1:1
100%

Артикул

Название

Примечание

Количество

1

SML45014

SEAL KIT

Kit, Seals, Main Relief Cartridge

1шт.

2

SML46065

KIT

Spring Center Positioner

5шт.

3

SML45015

SEAL KIT

Kit, Seal, Body Section

7шт.

4

SML45013

PLUG

Port

1шт.

5

SML51174

KIT

Float Positioner (with spring and collars retained with screw)

1шт.

6

SML447852

SUPPORT

Riser, Right, SHOWN

1шт.

7

SML447851

SUPPORT

Riser, Left

1шт.

8

SML44778

HANDLE

2шт.

9

SML44279

KNOB

Ball

2шт.

10

SML389101

SCREW

Socket Head, 1/4-28 x 3/4"

6шт.

11

SML260093

UNIVERSAL JOINT

End, Rod

4шт.

12

SML389005

BALL JOINT

End, Rod

2шт.

13

SML389104

SCREW

Socket Head, 1/4-28 x 2"

2шт.

14

281060

HEX SOC SCREW,HSH, #10 - 24 x 1-1/4"

Screw, Cap, Socket Head, #10-24x1-1/2"

8шт.

15

PL

PROCURE LOCALLY

Nut, Hex, 1/4"-28

6шт.

16

SML45001

VALVE PRESSURE RELIE

Relief, Work Port, 2500 PSI

2шт.

17

SML45950

VALVE PRESSURE RELIE

Relief, Work Port with Anti Cavitation, 2150 PSI

2шт.

18

SML45949

VALVE PRESSURE RELIE

Relief, Main, 2150 PSI

1шт.

19

18650

LOCK NUT,1/4"-28, GB

Nut, Lock, 1/4"-28

2шт.

20

SML45010

KIT

Stud, Includes four stud bolts and hardware

1шт.

21

SML45004

SEAL KIT

Kit, Seal, Relief ( Work Relief Cartridges )

4шт.

22

SML44993

PLUG

No Relief Cavity

2шт.

23

SML45011

SEAL KIT

Kit, Seal, Spool ( Includes 2 Seals )

6шт.

24

SML45019

BRACKET

Mounting

2шт.

25

SML44996

SLEEVE

Power Beyond ( Optional )

1шт.

26

SML45000

KIT

Plug, Load Check

6шт.

27

SML44855

BOOT

2шт.

28

SML45012

SEAL KIT

Kit, Seal, Power Beyond

1шт.

29

9635884

BOLT,Hex, 5/16" - 18 1", Full Thd, Gr 5

4шт.

30

87362

WASHER,5/16" SAE

Flat, 5/16"

4шт.

31

87382

LOCK NUT,5/16"-18, GB

NUT, LOCK, 5/16"-18, GB

4шт.

32

SML45005

SEAL KIT

Kit, Seal, Work Port Plug

2шт.

33

SML44998

KIT

Handle

2шт.

34

SML45002

KIT

Clevis & Pin

2шт.

35

SML45006

COVER

Inlet

1шт.

36

SML45018

COVER

Outlet

1шт.

37

SML46142

HYD VALVE SECTION

Valve Section, 4-Way, 3 Position ( Does NOT Include Ref. 16,17,34 or 35 )

2шт.

38

SML46141

HYD VALVE SECTION

Valve Section, 4 Position Float

1шт.

39

SML46143

HYD VALVE SECTION

Valve Section, With Long Spool ( Does NOT Include Ref. 16 or 17 )

3шт.

40

SML48188

VALVE PRESSURE RELIE

Relief, Work Port, 4000 PSI

1шт.

41

SML389105

SCREW

Cap, Socket Head, #10-24 x 1

4шт.

42

SML49438

BRACKET

Handle

1шт.

43

SML49436

KNOB

Handle

1шт.

44

SML49437

LEVER

Rod, Handle

1шт.

45

SML49435

BOOT

Dust

1шт.

46

SML60744

DOWEL

Pin, Dowel, 3/16 x .50

1шт.

Выбрано товаров: 46