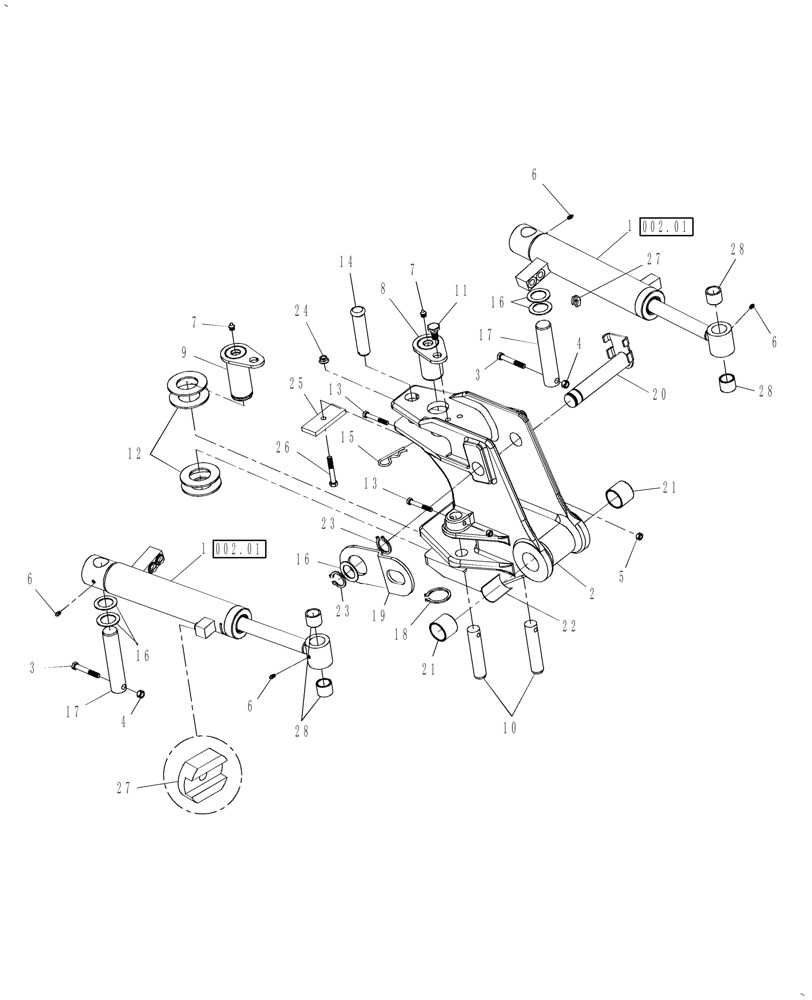
Запчасти Case IH BH102 (002) - SWING FRAME ASSEMBLY (39) - FRAMES AND BALLASTING

Схема запчастей Case IH BH102 - (002) - SWING FRAME ASSEMBLY (39) - FRAMES AND BALLASTING
3
19
11
21
12
21
6
26
23
1
13
16
27
9
16
16
14
13
7
27
5
10
002.01
002.01
6
6
4
2
1
24
28
18
4
17
28
8
25
23
6
15
28
20
22
17
3
7
FIT
1:1
100%

Артикул

Название

Примечание

Количество

1

SML53754

CYLINDER

Swing

2шт.

2

CSE54296

FRAME

Swing, BH90, BH102

1шт.

2

CSE54297

FRAME

FRAME, Swing, BH114

1шт.

3

SML4296915

SCREW

Cap 3/8-16x2.5 GR8

2шт.

4

SML418403

NUT

Lock, 3/8-16

2шт.

5

SML418402

NUT

Lock 5/16-18

2шт.

6

SML60754

LUBE NIPPLE

1/4-28

4шт.

7

SML60752

LUBE NIPPLE

1/8 Self Tap

3шт.

8

SML53697

PIN

Swing Frame Upper 1-3/4

1шт.

9

SML53694

PIN

Swing Frame Lower 1-3/4

1шт.

10

SML466322

PIN

1x4-3/4

2шт.

11

SML53699

BOLT

5/8 Shoulder w/ 1/2-13 Thread

1шт.

12

SML45098

WASHER

Thrust

4шт.

13

SML4183885

SCREW

Cap 5/16-18x2.25 GR5

2шт.

14

SML4190219

PIN

Clevis

1шт.

15

SML419011

PIN, SPLIT (COTTER)

PIN, COTTER

1шт.

16

SML425771

BUSHING

Machinery

5шт.

17

SML363685

PIN

1.25x5.88

2шт.

18

SML604020

RING

Retaining

1шт.

19

SML53561

LOCK

Boom

1шт.

20

SML54291

PIN

1.25

1шт.

21

SML526542

BUSHING

Sleeve

2шт.

22

SML482716

SPACER

1шт.

23

SML60407

RING

Retaining

2шт.

24

SML428481

NUT

Hex Flange 3/8-16

1шт.

25

SML53780

CLAMP

Flat

1шт.

26

SML4183854

SCREW

Cap 3/8-16x2.50 GR5

1шт.

27

SML47879

REDUCER

.093

2шт.

28

SML452523

BUSHING

Sleeve

2шт.

Выбрано товаров: 29