Запчасти Case IH C100 (07-07) - PARK BRAKE 2 W.D. (07) - BRAKES

Схема запчастей Case IH C100 - (07-07) - PARK BRAKE 2 W.D. (07) - BRAKES
22
7
28
19
18
13
30
20
25
17
8
3
15
4
16
5
27
29
2
1
23
12
9
11
13
14
6
10
19
26
21
FIT
1:1
100%

Артикул

Название

Примечание

Количество

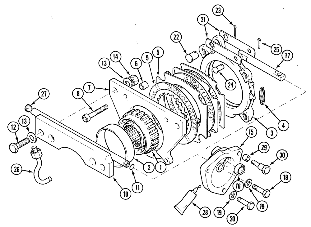
142592A1

HUB

Includes 1,2

1шт.

1

NSS

NOT SOLD SEPARAT

Hub

1шт.

2

NSS

NOT SOLD SEPARAT

Ring

1шт.

119245A2

BRAKE ASSY.

Consists Of 3 - 9

1шт.

3

125641A2

BRAKE

Includes 4

1шт.

4

125649A2

SPRING

2шт.

5

125645A2

DISC

3шт.

6

125646A2

SPACER

4шт.

7

125647A2

LARGE PLATE

PLATE, LARGE

1шт.

8

61-33828

HEX SOC SCREW,3/8"-16 x 1 3/4"

3/8 x 1-3/4

4шт.

9

125648A2

BRAKE DISC

DISC, BRAKE

3шт.

10

119246A3

SUPPORT

1шт.

11

238-5111

O-RING,0.103" Thk x 0.424" ID, -111, Cl 5, 75 Duro

1шт.

12

28-830

BOLT,Hex, 1/2" - 20 x 1-7/8", Gr 8

1/2 NF x 1-7/8; 8

2шт.

13

396-21053

WASHER,17/32" x 1 1/16" x .134"

2шт.

14

29-118

NUT,1/2"-20, G8

1/2 NF; 8

2шт.

15

119248A1

SUPPORT

1шт.

16

A37558

SEAL,14.27mm ID x 28.7mm OD x 6.73mm Thk

1шт.

17

119249A2

PLUNGER

1шт.

18

413-618

BOLT,Hex, 3/8" - 16 x 1-1/8", Gr 5

1шт.

19

492-11038

LOCK WASHER,3/8"

3шт.

20

413-618

BOLT,Hex, 3/8" - 16 x 1-1/8", Gr 5

2шт.

21

124005A1

LINK

1шт.

22

427-8114

CLEVIS PIN,12.7mm OD x 28.98mm L

1/2 x 1-1/8

1шт.

23

432-816

COTTER PIN,1/8" x 1"

1шт.

24

27-5112

CLEVIS PIN,5/16" x 1 1/8"

5/16 x 1-1/4

1шт.

25

32-612

COTTER PIN,3/32" x 3/4"

1шт.

26

116658A3

PIPE,12.7 mm OD, 67, 52 mm Length

See Page(s) 6-39

1шт.

27

930342R1

PLUG,M16, Conical

16 mm dia

1шт.

28

B17501

LOCTITE

6 ml

1шт.

29

135951A1

SPACER

1шт.

30

135925A1

BOLT,Hex, 3/8" - 16 - 14.22 - 14.30mm x 56mm L

1шт.

Выбрано товаров: 32