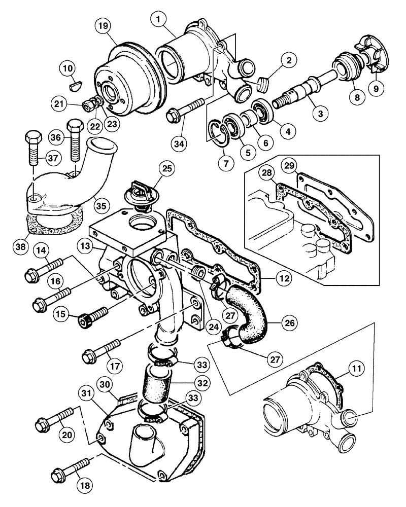
Запчасти Case IH C100 (02-21) - WATER PUMP SYSTEM (02) - ENGINE

Схема запчастей Case IH C100 - (02-21) - WATER PUMP SYSTEM (02) - ENGINE
1
4
37
32
28
20
16
38
27
27
6
22
19
8
23
15
12
7
3
13
35
36
17
30
10
11
2
14
5
26
33
18
21
24
31
25
9
29
34
33
FIT
1:1
100%

Артикул

Название

Примечание

Количество

C80, C90, C100 : - JJE1008568

1шт.

293515A1

PUMP, WATER

Consists Of 1 - 9

1шт.

281656A1

PACKAGE, REPAIR

Consists Of 2 - 12

1шт.

1

NSS

NOT SOLD SEPARAT

Body

1шт.

2

217-4

ADAPTER,3/8"-18 Fem NPTF x 3/8"-18 NPTF Male

1шт.

3

NSS

NOT SOLD SEPARAT

Shaft

1шт.

4

NSS

NOT SOLD SEPARAT

Bearing, Ball

1шт.

5

NSS

NOT SOLD SEPARAT

Bearing, Ball

1шт.

6

NSS

NOT SOLD SEPARAT

Spacer

1шт.

7

NSS

NOT SOLD SEPARAT

Ring, Retaining

1шт.

8

NSS

NOT SOLD SEPARAT

Seal

1шт.

9

NSS

NOT SOLD SEPARAT

Impeller

1шт.

10

126-12

WOODRUFF KEY,#6, 5/32" x 5/8"

1шт.

11

297783A1

GASKET

1шт.

12

218420A1

GASKET

1шт.

13

328362A1

BODY

1шт.

14

293517A1

SCREW

1шт.

15

297778A1

SCREW

2шт.

16

218373A1

SCREW

2шт.

17

217919A1

SCREW,Hex Flg, M10 x 25mm

2шт.

18

218054A1

SCREW

2шт.

19

308878A1

PULLEY

1шт.

20

844-10035

BOLT,Hex, M10 x 35mm, Cl 8.8

2шт.

21

425-1110

NUT,5/8"-18, G5

1шт.

22

281655A1

WASHER

1шт.

23

3115512R1

WASHER

1шт.

24

217-4

ADAPTER,3/8"-18 Fem NPTF x 3/8"-18 NPTF Male

1шт.

25

218039A1

THERMOSTAT

1шт.

26

293143A1

HOSE

1шт.

27

295958A1

CLIP,ELECTRICAL

2шт.

28

293191A1

GASKET

1шт.

29

297779A1

COVER

1шт.

30

297780A1

SEAL

1шт.

31

293194A1

CONNECTION

1шт.

32

293200A1

HOSE

Includes 33

1шт.

33

293003A1

CLAMP

2шт.

34

218363A1

SCREW

4шт.

35

297789A1

OUTLET

1шт.

36

844-10065

BOLT,Hvy Hex, M10 x 65mm, Cl 8.8

M10 x 65

1шт.

37

844-10035

BOLT,Hex, M10 x 35mm, Cl 8.8

1шт.

38

293151A1

GASKET

1шт.

Выбрано товаров: 41