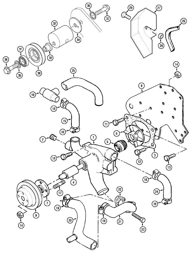
Запчасти Case IH C50 (02-13) - WATER PUMP SYSTEM (02) - ENGINE

Схема запчастей Case IH C50 - (02-13) - WATER PUMP SYSTEM (02) - ENGINE
22
26
35
13
14
35
16
20
16
33
3
9
37
30
27
16
2
17
15
36
34
21
10
8
5
7
24
1
11
31
32
25
16
29
19
18
4
6
23
28
12
14
19
FIT
1:1
100%

Артикул

Название

Примечание

Количество

365375A1

PUMP, WATER

Consists Of 1 - 7

1шт.

1

NSS

NOT SOLD SEPARAT

Body

1шт.

2

217811A1

PLUG

1шт.

3

296222A1

GASKET

1шт.

365376A1

PACKAGE, REPAIR

Consists Of 4 - 7

1шт.

4

NSS

NOT SOLD SEPARAT

Shaft

1шт.

5

NSS

NOT SOLD SEPARAT

Seal

1шт.

6

NSS

NOT SOLD SEPARAT

Impeller

1шт.

7

NSS

NOT SOLD SEPARAT

Hub

1шт.

8

295867A1

LARGE PLATE

PLATE, LARGE , Engine No. - U324041D

1шт.

8

334967A1

LARGE PLATE

PLATE, LARGE , Engine No. U324042D -

1шт.

9

295815A1

PULLEY

1шт.

10

844-8045

BOLT,Hvy Hex, M8 x 45mm, Cl 8.8

Engine No. - U324041D

4шт.

10

281653A1

SCREW

Engine No. U324042D -

4шт.

11

218363A1

SCREW

Engine No. - U324041D

3шт.

11

218021A1

SCREW

Engine No. U324042D -

3шт.

12

295808A1

SCREW

Engine No. - U324041D

1шт.

12

308765A1

SCREW

Engine No. U324042D -

1шт.

13

218571A1

SCREW

Engine No. - U324041D

3шт.

13

218391A1

SCREW

Engine No. U324042D -

3шт.

14

825-2408

FLANGE NUT,M8 x 1.25, Flg, Cl 8

6шт.

15

295863A1

HOSE,3.50"

1шт.

16

295958A1

CLIP,ELECTRICAL

3шт.

17

NSS

NOT SOLD SEPARAT

Stud

4шт.

18

353819A1

HYD CONNECTOR

Thermostat

1шт.

19

293003A1

CLAMP

1шт.

20

295865A1

HOSE

C50

1шт.

21

296231A1

FITTING

1шт.

22

296221A1

GASKET

1шт.

23

218021A1

SCREW

2шт.

24

295863A1

HOSE,3.50"

1шт.

25

295864A1

HOSE

1шт.

26

218509A1

BELT

Fan

1шт.

27

305720A1

GUARD

1шт.

28

832-10412

NUT,M12 x 1.75, Cl 8

1шт.

29

844-12070

BOLT,Hvy Hex, M12 x 70mm, Cl 8.8

M12 x 70; 8,8

1шт.

295849A1

TIGHTENER SHEAVE

Consists Of 30,31

1шт.

30

NSS

NOT SOLD SEPARAT

Pulley

1шт.

31

295812A1

BALL BEARING

1шт.

32

295860A1

ADJUSTER

Engine No. - U324041D

1шт.

32

308759A1

ADJUSTER

Engine No. U324042D -

1шт.

33

295861A1

CLAMP

1шт.

34

295820A1

WASHER

1шт.

35

295804A1

WASHER

2шт.

36

296133A1

BOLT

1шт.

37

844-12035

BOLT,Hvy Hex, M12 x 35mm, Cl 8.8

Engine No. - U324041D

1шт.

37

296133A1

BOLT

Engine No. U324042D -

1шт.

Выбрано товаров: 47