Качественные детали и логистика
Оригинальные и аналоговые запчасти с доставкой по России, Казахстану и Беларуси
©2022 PartSell ООО "Система" ИНН 2463123282 ОГРН 1212400004838
Центральный офис: г. Красноярск, Академика Киренского, д.87, пом.4
Телефон: 8 (800) 777-65-74 Email: zakaz@partsell.ru
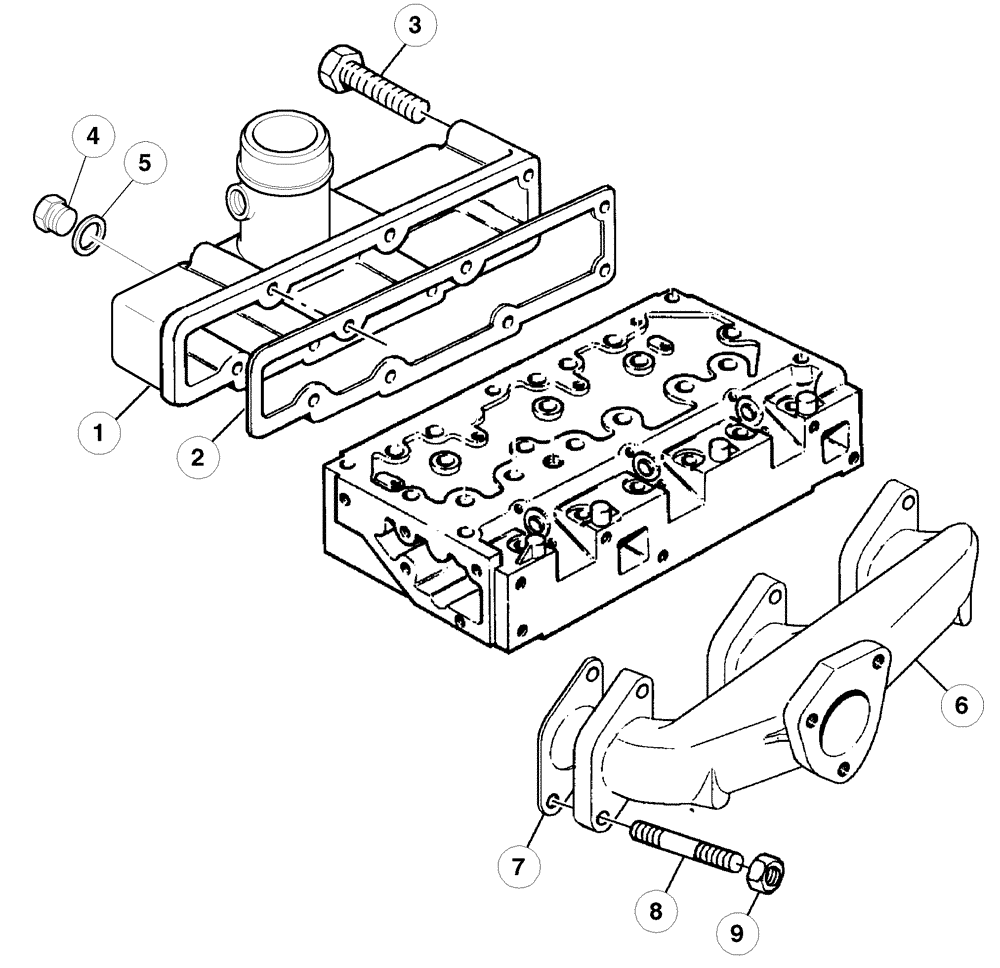
(02-17) - MANIFOLDS, C50
№
Артикул
Название
Примечание
Количество
1
295507A1
MANIFOLD
Intake
1шт.
2
296218A1
GASKET
3
218069A1
SCREW
6шт.
4
293484A1
PLUG
5
E110758
WASHER
6
295508A1
Exhaust
7
296223A1
3шт.
8
217945A1
STUD
9
285504A1
NUT
Выбрано товаров: 0