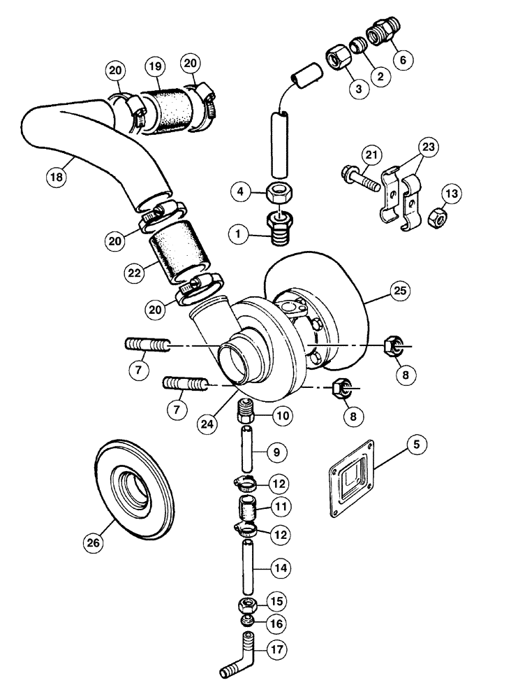
Запчасти Case IH C60 (02-15) - TURBOCHARGER AND CONNECTIONS, C60 (02) - ENGINE

Схема запчастей Case IH C60 - (02-15) - TURBOCHARGER AND CONNECTIONS, C60 (02) - ENGINE
23
20
21
24
20
26
15
12
22
7
17
20
11
10
5
7
6
14
1
8
9
13
2
25
12
18
3
16
20
8
4
19
FIT
1:1
100%

Артикул

Название

Примечание

Количество

329576A1

PIPE

Includes 1 - 4

1шт.

1

218176A1

FITTING

1шт.

2

F62934

OLIVE

1шт.

3

218177A1

NUT

1шт.

4

NSS

NOT SOLD SEPARAT

Nut

1шт.

5

295870A1

GASKET

1шт.

6

218179A1

FITTING

1шт.

7

295962A1

STUD

3шт.

8

285504A1

NUT

3шт.

9

304823A1

TUBE

Includes 10

1шт.

10

NSS

NOT SOLD SEPARAT

Nut

1шт.

11

295829A1

HOSE

1шт.

12

218025A1

CLAMP

2шт.

13

825-2405

FLANGE NUT,M5 x .8, Flg, Cl 8

1шт.

14

296253A1

TUBE

1шт.

15

884514R1

NUT

1шт.

16

884513R1

OLIVE

1шт.

17

218661A1

ELBOW

1шт.

18

295872A1

PIPE

1шт.

19

295828A1

HOSE

1шт.

20

295811A1

CLAMP

4шт.

21

285285A1

SCREW

1шт.

22

295828A1

HOSE

1шт.

23

295803A1

CLIP,ELECTRICAL

2шт.

295813A1

TURBOCHARGER

Includes 24 - 26, See Page(s) 2-35

1шт.

24

304827A1

HOUSING

1шт.

25

304828A1

HOUSING

1шт.

26

304829A1

HOUSING

1шт.

Выбрано товаров: 28