Запчасти Case IH C60 (02-22) - CYLINDER BLOCK (02) - ENGINE

Схема запчастей Case IH C60 - (02-22) - CYLINDER BLOCK (02) - ENGINE
13
14
9
26
6
15
23
17
20
4
24
10
8
3
8
19
11
21
18
1
16
25
22
5
FIT
1:1
100%

Артикул

Название

Примечание

Количество

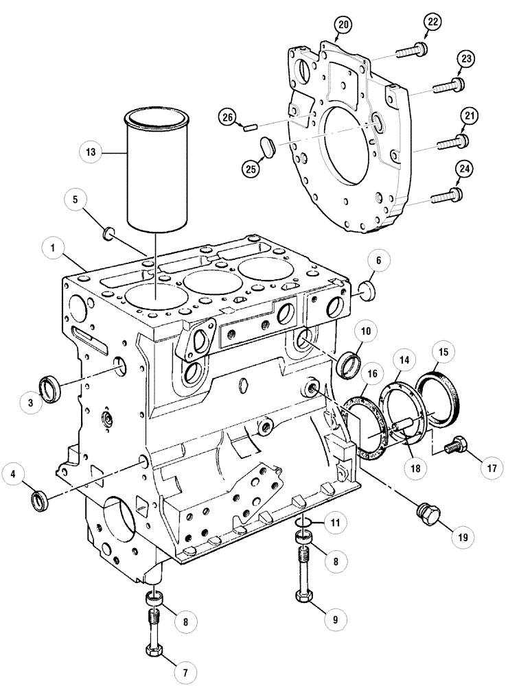
1

322800A1

CRANKCASE

Includes 3 - 13

1шт.

3

F62335

PLUG

2шт.

4

3108824R1

PLUG

1шт.

5

218257A1

PLUG

2шт.

6

296179A1

PLUG

1шт.

7

296174A1

SCREW

6шт.

8

291969A1

BLANK-OFF PLUG

8шт.

9

296175A1

SCREW

2шт.

10

3108824R1

PLUG

6шт.

11

296136A1

O-RING

2шт.

13

296157A1

SLEEVE CYLINDER

3шт.

14

296242A1

HOUSING

Includes 15

1шт.

15

218271A1

SEAL

1шт.

16

296202A1

GASKET

1шт.

17

844-8020

BOLT,Hvy Hex, M8 x 20mm, Cl 8.8

9шт.

18

296082A1

DOWEL

2шт.

19

3118147R1

PLUG

Oil

1шт.

19

3118148R1

PLUG

Water

1шт.

20

379141A1

HOUSING

1шт.

21

218180A1

SCREW

2шт.

22

218053A1

SCREW

2шт.

23

217919A1

SCREW,Hex Flg, M10 x 25mm

6шт.

24

218358A1

SCREW

8шт.

25

296233A1

PLUG

1шт.

26

37-1614

DOWEL,3/8" x 7/8"

2шт.

Выбрано товаров: 25