Запчасти Case IH C60 (06-16) - REAR FRAME TOP COVER (06) - POWER TRAIN

Схема запчастей Case IH C60 - (06-16) - REAR FRAME TOP COVER (06) - POWER TRAIN
19
16
28
9
4
7
19
1
14
21
12
25
13
4
17
18
29
6
21
24
10
21
22
21
14
23
11
30
27
15
26
15
8
5
20
4
FIT
1:1
100%

Артикул

Название

Примечание

Количество

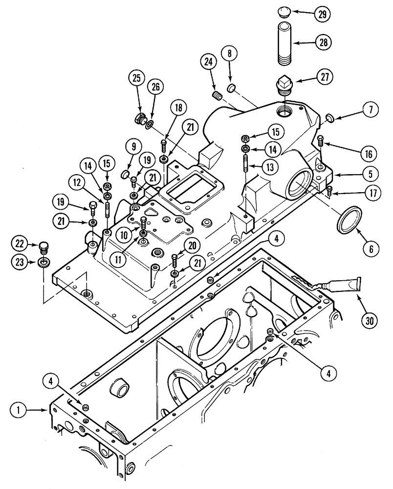
1

REF

INSTRUCTION

Frame Assy, Rear, See Page(s) 6-33

1шт.

4

238-6110

O-RING,0.103" Thk x 0.362" ID, -110, Cl 6, 90 Duro

3шт.

5

REF

INSTRUCTION

Housing Assy, With Draft Control, See Page(s) 8-41

1шт.

5

144274A2

HOUSING ASSY.

Without Draft Control, Includes 6 - 12

1шт.

6

41-1052

PLUG,Cup, 3 1/4"

3-1/4 in dia

2шт.

7

41-1614

PLUG,Cup, 7/8", Stainless

7/8 in dia

1шт.

8

41-1612

PLUG,Cup, 3/4", Stainless

1шт.

9

41-1618

PLUG,Cup, 1 1/8", Stainless

1-1/8

1шт.

10

413-820

BOLT,Hex, 1/2" - 13 x 1-1/4", Gr 5

3шт.

11

231-1408

LOCK NUT,1/2"-13, GB

1/2; 5

3шт.

12

531144R1

STUD

Short

2шт.

13

244102A2

STUD

3/8 x 75 mm

2шт.

14

492-11038

LOCK WASHER,3/8"

2шт.

15

425-106

NUT,3/8"-16, Cl 5

2шт.

16

413-830

BOLT,Hex, 1/2" - 13 x 1-7/8", Gr 5

1/2 x 1-7/8; 5

4шт.

17

413-826

BOLT,Hex, 1/2" - 13 x 1-5/8", Gr 5

1/2 x 1-5/8; 5

2шт.

18

413-632

BOLT,Hex, 3/8" - 16 x 2", Gr 5

1шт.

19

413-644

BOLT,Hex, 3/8" - 16 x 2-3/4", Gr 5

2шт.

20

413-630

BOLT,Hex, 3/8" - 16 x 1-7/8", Gr 5

3/8 x 1-7/8; 5

11шт.

21

92-11038

LOCK WASHER,3/8"

14шт.

22

536855R1

PLUG

M19

1шт.

23

237-6008

O-RING,0.087" Thk x 0.644" ID, -908, Cl 6, 90 Duro

1шт.

24

217-435

PLUG,Hex Soc, 3/8" - 18 NPTF

3/8 PT

1шт.

25

214389

PLUG,3/4" - 16 ORB

Includes Ref. 26

1шт.

26

237-6008

O-RING,0.087" Thk x 0.644" ID, -908, Cl 6, 90 Duro

1шт.

27

1537543C1

ADAPTER

1шт.

28

28747R1

PIPE,Nipple, 1 1/4" NPT x 7"

1-1/4 x 7

1шт.

29

141286A1

CAP

1-1/4 in

1шт.

30

B17555

LOCTITE

50 ml

1шт.

Выбрано товаров: 29