Запчасти Case IH C80 (04-12) - BATTERY TRAY, BATTERY AND CONNECTIONS (04) - ELECTRICAL SYSTEMS

Схема запчастей Case IH C80 - (04-12) - BATTERY TRAY, BATTERY AND CONNECTIONS (04) - ELECTRICAL SYSTEMS
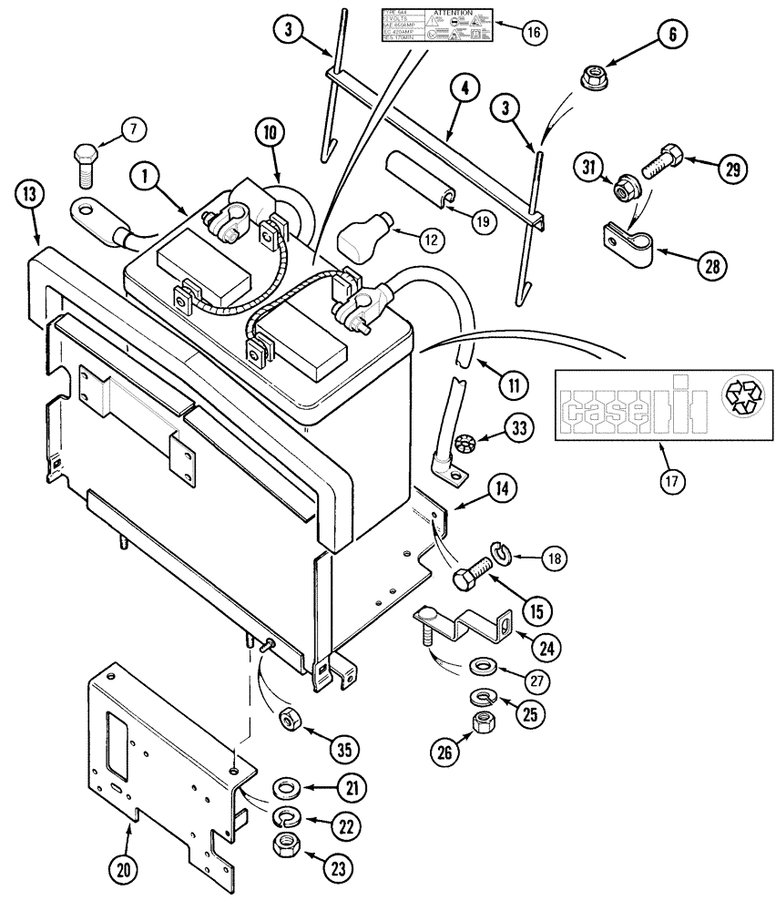
26
25
29
18
12
31
10
22
3
11
33
27
28
16
6
24
4
21
7
1
13
19
20
14
17
15
35
3
23
FIT
1:1
100%

Артикул

Название

Примечание

Количество

1

528217R2

BATTERY, DRY

BATTERY DRY , Standard, Dry Charged, Europe Only

1шт.

1

91517C1

BATTERY, WET

BATTERY WET , 12V, Standard, Wet Charged, Europe Only

1шт.

1

529966R2

BATTERY, DRY

BATTERY DRY , Heavy Duty, Dry Charged, Europe Only

1шт.

1

530756R2

BATTERY, WET

BATTERY WET , Heavy Duty, Wet Charged, Europe Only

1шт.

1

BMF31G

BATTERY, DRY

BATTERY DRY 12V, Heavy Duty, Wet Charged, N.A. Only

1шт.

3

529968R3

ROD

2шт.

4

3121178R1

BRACKET

1шт.

6

425-285

FLANGE NUT,Flg, 5/16"-18, G5

2шт.

7

844-8020

BOLT,Hvy Hex, M8 x 20mm, Cl 8.8

1шт.

10

225988A2

CABLE

- ve

1шт.

11

122599A1

CABLE ASSY.

1шт.

12

383619R1

COVER

1шт.

13

259989A1

SEAL

1070 mm

1шт.

14

252959A4

TRAY ASSY.

1шт.

15

413-612

BOLT,Hex, 3/8" - 16 x 3/4", Gr 5

2шт.

16

1537115C1

DECAL

Standard

1шт.

16

1537117C1

DECAL

Extra Heavy Duty

1шт.

17

1537144C1

DECAL

1шт.

18

492-11038

LOCK WASHER,3/8"

2шт.

19

297947A1

SEAL, RUBBER

RUBBER SEAL , 130 mm

2шт.

19

297948A1

SEAL, RUBBER

RUBBER SEAL , 60 mm

3шт.

20

127516A5

SUPPORT ASSY.

1шт.

21

495-81117

WASHER,.344" x 1" x .120"

11/32 x 1 x 7/64

2шт.

22

492-11031

LOCK WASHER,5/16"

2шт.

23

425-105

NUT,5/16"-18, G5

2шт.

24

144653A1

SUPPORT

2шт.

25

492-11031

LOCK WASHER,5/16"

2шт.

26

425-105

NUT,5/16"-18, G5

2шт.

27

495-81117

WASHER,.344" x 1" x .120"

11/32 x 1 x 7/64

2шт.

28

3125823R1

CLIP

1шт.

29

628-6020

BOLT,Hex, M6 x 20mm, Cl 10.9, Full Thd

1шт.

31

825-5146

SERRATED NUT,M6, Flg Ser

1шт.

33

493-11052

LOCK WASHER,Ext-Int Tooth, 1/2"

1/2

2шт.

35

3121629R2

SPRING NUT

2шт.

Выбрано товаров: 34