Запчасти Case IH 235 (5-08) - FRONT AXLE HOUSING, FRONT AXLE SHAFT AND GEARS, MFD TRACTOR (CONTD) (05) - STEERING

Схема запчастей Case IH 235 - (5-08) - FRONT AXLE HOUSING, FRONT AXLE SHAFT AND GEARS, MFD TRACTOR (CONTD) (05) - STEERING
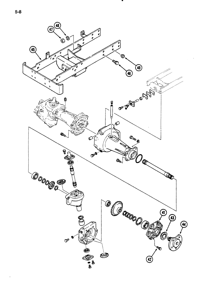
49
43
42
44
46
45
41
47
48
FIT
1:1
100%

Артикул

Название

Примечание

Количество

41

1273167C1

NOZZLE HOLDER

COVER - housing

2шт.

42

814-8020

BOLT,Hex, M8 x 1.25 x 20mm, Cl 8.8, Full Thd

12шт.

892-11008

LOCK WASHER,8mm ID

WASHER, LOCK, M8

12шт.

43

1273188C1

OIL SEAL

SEAL - oil

2шт.

44

1273168C1

SHAFT HOUSING

SHAFT - wheel

2шт.

45

99102C1

FUNNEL

FRAME - front

1шт.

46

514-834

BOLT,Hex, M12 x 1.25 x 30mm, Cl 8.8, Full Thd

- hex, M12 x 30 mm

8шт.

896-11012

WASHER,13.5mm ID x 24mm OD x 3mm Thk

8шт.

47

525-5105

NUT,M14 x 1.5, Cl 8

- hex, M14

2шт.

48

892-11014

LOCK WASHER,14.5mm ID x 24.1mm OD x 4.5mm Thk

WASHER - lock, 14 mm

2шт.

49

1271889C1

CYLINDER END CAP

CAP - rubber

4шт.

Выбрано товаров: 11