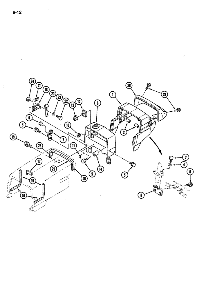
Запчасти Case IH 245 (9-12) - INSTRUMENT PANEL SHROUD, FUEL TANK COVER AND HOOD SEAL (09) - CHASSIS/ATTACHMENTS

Схема запчастей Case IH 245 - (9-12) - INSTRUMENT PANEL SHROUD, FUEL TANK COVER AND HOOD SEAL (09) - CHASSIS/ATTACHMENTS
5
5
18
6
22
17
26
3
26
13
16
1
24
5
10
11
15
14
7
2
20
25
12
21
29
4
19
8
28
9
5
23
FIT
1:1
100%

Артикул

Название

Примечание

Количество

1

99149C1

PANEL ASSY.

SHROUD - instrument panel, lower

1шт.

2

1269754C1

SPACER

- instrument shroud

2шт.

3

814-8016

BOLT,Hex, M8 x 1.25 x 16mm, Cl 8.8, Full Thd

- hex, M8 x 16 mm

2шт.

892-11008

LOCK WASHER,8mm ID

WASHER, LOCK, M8

2шт.

4

896-11008

WASHER,9mm ID x 17mm OD x 2mm Thk

- flat, 9 x 17 x 2 mm

2шт.

5

814-8016

BOLT,Hex, M8 x 1.25 x 16mm, Cl 8.8, Full Thd

- hex, M8 x 16 mm

10шт.

892-11008

LOCK WASHER,8mm ID

WASHER, LOCK, M8

10шт.

895-11008

WASHER,9mm ID x 16mm OD x 1.6mm Thk

- flat, 9 x 17 x 2 mm

10шт.

6

1273617C2

COVER ASSY

COVER - fuel tank

1шт.

7

1269744C1

SUPPORT ASSY.

BRACKET - fuel tank cover

1шт.

8

1273690C1

SUPPORT ASSY.

PLATE - mounting

1шт.

9

1269745C1

PLUG

- bracket

1шт.

10

50202H

GROMMET

- 11/32 ID x 5/8 OD x 1/4 inch

1шт.

11

1273621C1

BAND

SEAL - rubber, edge

2шт.

12

1269740C1

ANGLE

BRACKET - mounting

1шт.

13

825-1106

NUT,Hex, M6, Cl 8

- hex, M6, Grade 10

2шт.

14

1962583C1

CUSHION ASSY.

CUSHION - foam, tachometer cable

1шт.

15

99256C2

CUSHION ASSY.

SEAL - front hood, side

2шт.

16

99219C1

SEAL ASSY.

SEAL - front hood, side (Replaces 99257C1)

2шт.

17

99258C1

CUSHION ASSY.

SEAL - air cleaner hose, foam

1шт.

18

1269742C1

SUPPORT ASSY.

SUPPORT - hood latch

1шт.

19

614-6016

BOLT,Hex, M6 x 1 x 16mm, Cl 8.8, Full Thd

2шт.

892-11006

LOCK WASHER,M6

WASHER, LOCK, M6

2шт.

895-11006

WASHER,6.6mm ID x 12mm OD x 1.6mm Thk

2шт.

20

1269741C1

LATCH ASSY.

LATCH - hood

1шт.

21

1269743C1

VALVE SPRING

SPRING - hood latch

1шт.

22

614-6016

BOLT,Hex, M6 x 1 x 16mm, Cl 8.8, Full Thd

1шт.

23

895-11006

WASHER,6.6mm ID x 12mm OD x 1.6mm Thk

1шт.

24

825-1106

NUT,Hex, M6, Cl 8

- hex, M6, Grade 10

1шт.

25

NSS

NOT SOLD SEPARAT

SEAL - rear hood, top, foam 11-39/64 inch long (Order 73213C2 and, Serial Range: cut-length)

1шт.

26

NSS

NOT SOLD SEPARAT

SEAL - rear hood, side, foam 6-45/64 inch long (Order 73213C2 and, Serial Range: cut-length)

2шт.

28

1962582C1

PANEL ASSY.

SHROUD - instrument panel, upper

1шт.

29

31144R1

SCREW,Cross Pan Hd, M6 x 30

- pan head, cross recess, M6 x 30 mm

5шт.

892-11006

LOCK WASHER,M6

WASHER, LOCK, M6

5шт.

895-10010

WASHER,11mm ID x 20mm OD x 2mm Thk

- flat, 11 x 21 x 2 mm

5шт.

73213C2

FILLING STRIP

SEAL - foam, 3/4 x 3/4 x 48 inch

1шт.

Выбрано товаров: 36