Запчасти Case IH 245 (2-26) - GASKET KITS (02) - ENGINE

Схема запчастей Case IH 245 - (2-26) - GASKET KITS (02) - ENGINE
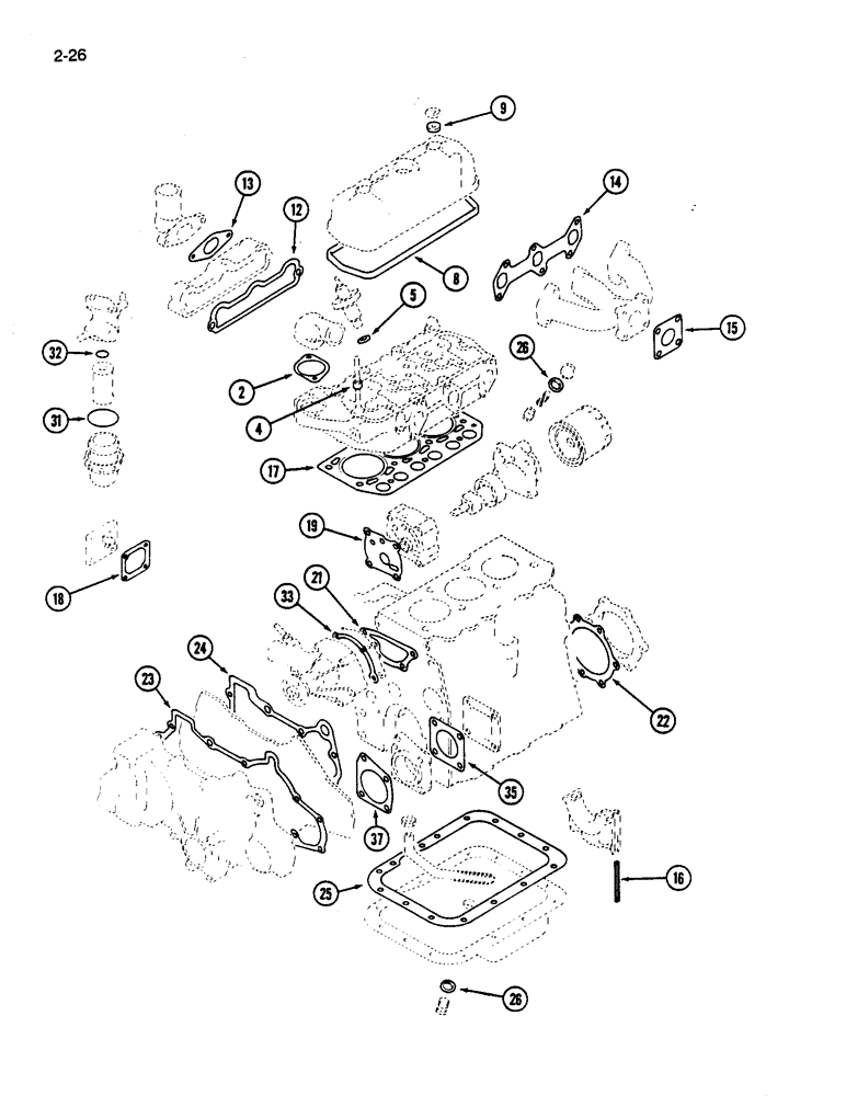
2
33
26
24
15
9
25
22
35
14
21
19
32
8
16
18
12
17
37
4
5
13
26
23
31
FIT
1:1
100%

Артикул

Название

Примечание

Количество

1962924C1

GASKET KIT

- engine overhaul (Replaces 1273495C91), Includes: Ref. 2 - 37

1шт.

1282981C91

GASKET KIT

GASKET KIT - valve grind, Includes: Ref. 2 - 15

1шт.

PART NO. 1282981C91. THIS DOES 'NOT' INCLUDE THE CYL HEAD GASKET 1271922C1. THE CYL HEAD GASKET IS ONLY INCLUDED IN THE ENG. OVERHAUL KIT 1962924C1.

1шт.

2

1273083C1

FAN

GASKET - thermostat outlet

1шт.

4

1271981C1

SEAL

SEAL - valve

8шт.

5

1273000C1

GASKET

- nozzle holder

3шт.

8

1271926C1

GASKET

- cover, cylinder head (If equipped)

1шт.

9

IH1273078C1

SEAL ASSY.

- oil, rocker cover (If equipped)

2шт.

12

1273107C1

MANIFOLD GASKET

- intake mariitold

1шт.

13

1273109C1

GASKET

- inlet elbow

1шт.

14

1273111C1

MANIFOLD GASKET

- exhaust manitold

1шт.

15

1273104C1

GASKET

- exhaust pipe

1шт.

16

1271776C1

SEAL

SEAL - side, main bearing

4шт.

17

1271922C1

CYLINDER HEAD GASKET

- cylinder head

1шт.

18

1273048C1

GASKET

- cover, governor

1шт.

19

1273064C1

GASKET

- oil pump

1шт.

21

1273083C1

FAN

GASKET - water pump

1шт.

22

1271783C1

GASKET

- oil seal

1шт.

23

1271909C1

GASKET

- gear case

1шт.

24

1271785C1

GASKET

- front plate

1шт.

25

1271907C1

OIL PAN GASKET SET

- oil pan

1шт.

26

1271805C1

FORK TEDDER

GASKET - drain plug

2шт.

31

NSS

NOT SOLD SEPARAT

O-RING - filter cup

1шт.

32

NSS

NOT SOLD SEPARAT

O-RING - element

1шт.

33

NSS

NOT SOLD SEPARAT

GASKET - water pump

1шт.

35

1271913C1

GASKET

- oil pump cover

1шт.

37

1271911C1

GASKET

- pump gear housing

1шт.

Выбрано товаров: 27