Запчасти Case IH 245 (4-04) - WIRING HARNESS AND BATTERY (04) - ELECTRICAL SYSTEMS

Схема запчастей Case IH 245 - (4-04) - WIRING HARNESS AND BATTERY (04) - ELECTRICAL SYSTEMS
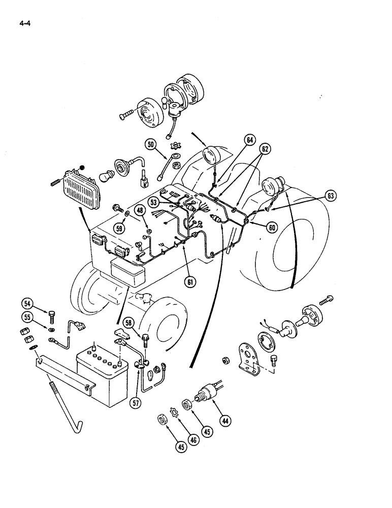
57
60
55
59
48
64
45
46
45
44
54
61
58
63
62
53
50
FIT
1:1
100%

Артикул

Название

Примечание

Количество

44

1271754C2

SWITCH

ASSEMBLY - safety, Includes: Ref. 45 and 46

2шт.

45

NSS

NOT SOLD SEPARAT

NUT - M16 x 1.5

4шт.

46

NSS

NOT SOLD SEPARAT

WASHER - safety switch

2шт.

48

934871R1

NUT,M5, Cl 5

- hex, M5, Grade 5

1шт.

50

NSS

NOT SOLD SEPARAT

WIRE - signal lamp, 8-5/54 inch long (Order B17725 and cut to length, 1-54773R1 terminal, 1-244058R1 termirial and 2-165585R1, or 2-238100R1 or 2-915073R1 terminal)

2шт.

53

1273580C1

CLAMP

- cable

1шт.

54

1962561C1

BOLT (SPREADER),M8 - 1.25 x 25mm

BOLT - hex, special

1шт.

55

892-11008

LOCK WASHER,8mm ID

WASHER, LOCK, M8

1шт.

57

1962564C1

DISC

- plate

2шт.

58

614-8020

BOLT,Hex, M8 x 1.25 x 20mm

- hex, M8 x 20 mm

2шт.

892-11006

LOCK WASHER,M6

WASHER, LOCK, M6

2шт.

895-11006

WASHER,6.6mm ID x 12mm OD x 1.6mm Thk

2шт.

59

934488R1

LOCK WASHER,Ext Tooth, M8

WASHER - lock, external tooth, 8 mm

1шт.

60

NSS

NOT SOLD SEPARAT

GROMMET - fender

1шт.

61

1962562C1

CONNECTOR, ELEC

LINK - fusible

1шт.

62

1275499C1

CLAMP

- harness retaining

2шт.

63

117961

GROMMET,3/8" ID x 27/32" x .062"

- light harness

1шт.

64

1961840C1

GROMMET

- light harness

3шт.

Выбрано товаров: 18