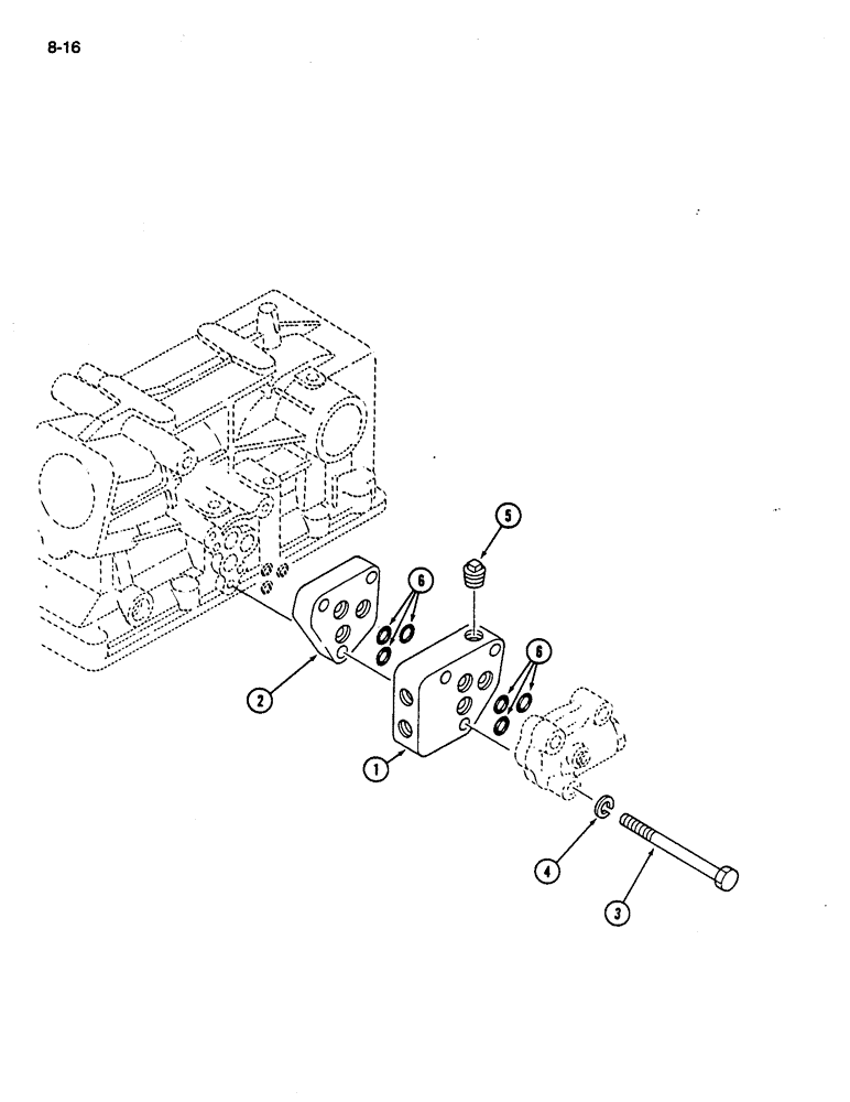
Запчасти Case IH 245 (8-16) - HYDRAULIC ADAPTER KIT (08) - HYDRAULICS

Схема запчастей Case IH 245 - (8-16) - HYDRAULIC ADAPTER KIT (08) - HYDRAULICS
2
6
6
5
3
4
1
FIT
1:1
100%

Артикул

Название

Примечание

Количество

1288102C92

STRIPPER PACKAGE

ADAPTER KIT - hydraulic, Includes: Ref. 1 - 6

1шт.

1

NSS

NOT SOLD SEPARAT

ADAPTER - hydraulic (Order 1288102C92)

1шт.

2

1288098C1

SPACER

- auxiliary valve

1шт.

3

828-8090

BOLT,Hex, M8 x 1.25 x 90mm, Cl 10.9

- hex, M8 x 90 mm

3шт.

4

892-11008

LOCK WASHER,8mm ID

WASHER, LOCK, M8

3шт.

5

444699

PLUG,Hex Soc, 3/8"-18

- drain, hex socket head, 3/8-18 PT

1шт.

6

1282749C1

O-RING

O-RING - 12 mm ID

6шт.

Выбрано товаров: 7