Запчасти Case IH 245 (8-18) - AUXILIARY VALVE KIT, DOUBLE ACTING (08) - HYDRAULICS

Схема запчастей Case IH 245 - (8-18) - AUXILIARY VALVE KIT, DOUBLE ACTING (08) - HYDRAULICS
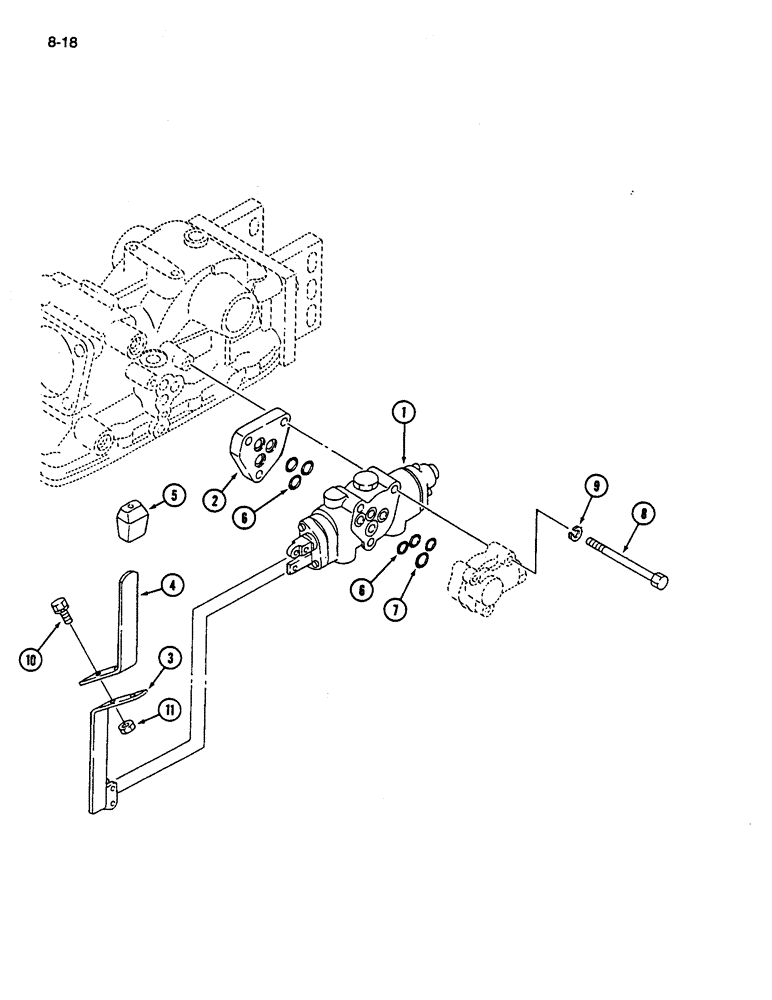
6
3
4
2
5
1
9
10
6
8
11
7
FIT
1:1
100%

Артикул

Название

Примечание

Количество

1963560C1

STRIPPER PACKAGE

KIT - auxiliary valve, double acting (Replaces 1288096C92), Includes: Ref. 1 - 11

1шт.

Ref. 1 (P/N 1963560C1) - SB 022 88; aux valve package rap interference

1шт.

1

NSS

NOT SOLD SEPARAT

VALVE ASSEMBLY - double acting auxiliary (Order 1963560C1)

1шт.

20155R1

CLEVIS PIN,3/16" x .719"

PIN - clevis, 3/16 x 23/32 inch

2шт.

895-11005

WASHER,5.5mm ID x 10mm OD x 1mm Thk

2шт.

30242R1

COTTER PIN,M1.2 x 10

PIN - cotter, 1 x 10 mm (replaces 632-526)

2шт.

1282749C1

O-RING

O-RING - 12 mm ID

3шт.

2

1963561C1

SPACER

- valve mounting (Replaces 1288098C1)

1шт.

3

1963562C1

LEVER

- lower, auxiliary valve (Rplaces 1288099C1)

1шт.

4

1963563C1

LEVER

- upper, auxiliary valve (Replaces 1288100C1)

1шт.

5

1273379C1

KNOB

- auxiliary valve lever

1шт.

6

1282749C1

O-RING

O-RING - 12 mm ID

6шт.

7

1288101C1

O-RING

O-RING - 16 mm ID

1шт.

8

814-8100

BOLT,Hex, M8 x 1.25 x 100mm, Cl 8.8

(Double acting valve only) Hex, M8 x 100, 8.8

3шт.

8

930915R1

BOLT,Hex, M8 x 1.25 x 140mm, Cl 8.8

- hex, M8 x 140 mm, Grade 10.9 (Double acting valve and hydraulic adapter)

3шт.

9

892-11008

LOCK WASHER,8mm ID

WASHER, LOCK, M8

3шт.

10

614-8020

BOLT,Hex, M8 x 1.25 x 20mm

- hex, M8 x 20 mm

2шт.

892-11008

LOCK WASHER,8mm ID

WASHER, LOCK, M8

2шт.

11

825-1108

NUT,Hex, M8, Cl 8

- hex flange, M8, Grade 10

2шт.

Выбрано товаров: 19